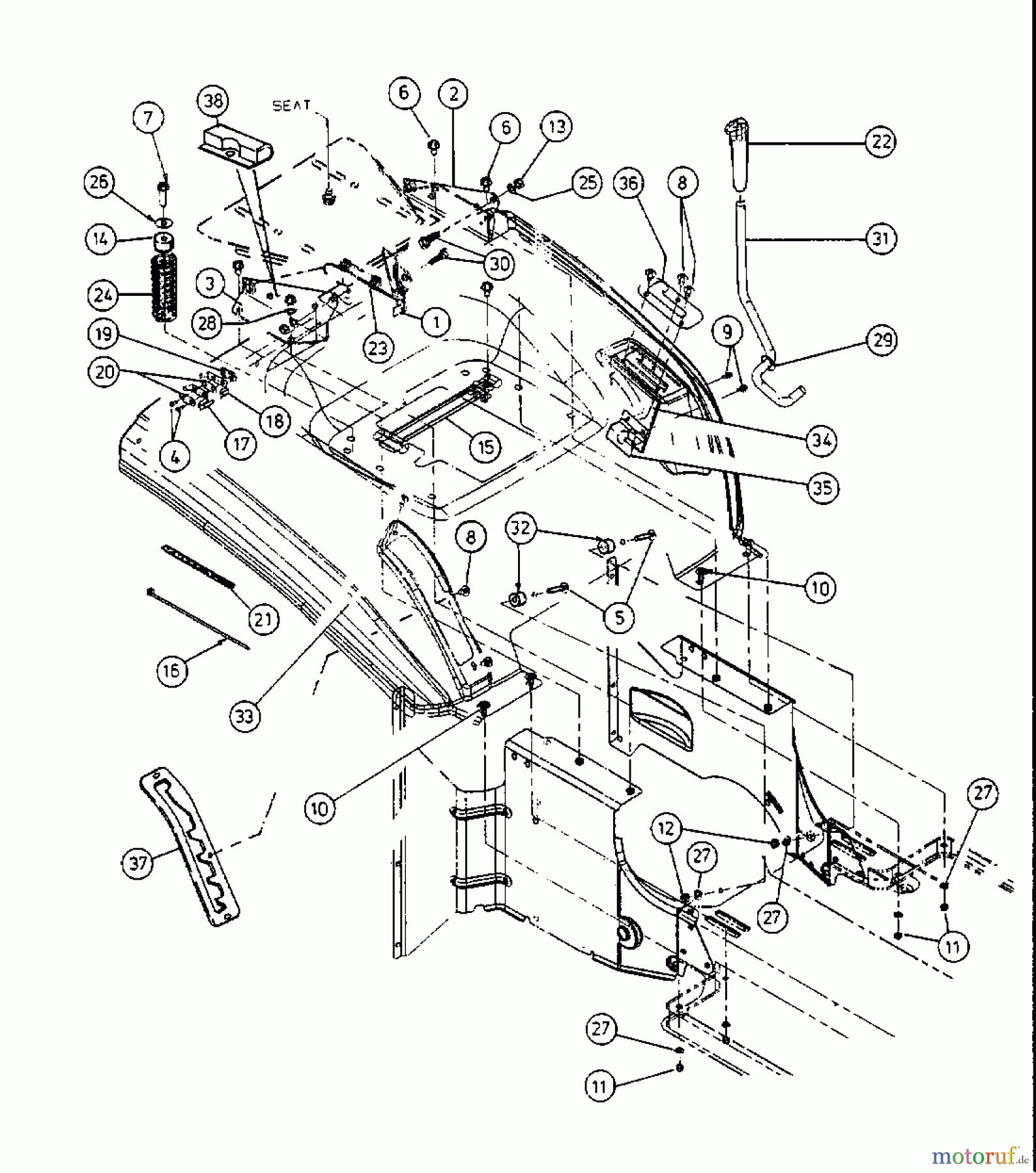
Univert 145 ENCH 13AP41UE663 (2000) Sitzwanne Ersatzteile
Sitzwanne 13AP41UE663 (2000)

Hier finden Sie die Ersatzteilzeichnung für Univert Rasentraktoren 145 ENCH 13AP41UE663 (2000) Sitzwanne. Wählen Sie das benötigte Ersatzteil aus der Ersatzteilliste Ihres Univert Gerätes aus und bestellen Sie einfach online. Viele Univert Ersatzteile halten wir ständig in unserem Lager für Sie bereit.


Qualitätsmanagement
Informieren Sie uns, wenn Sie einen Fehler gefunden haben.













