Novotrac NOVOTRAC 110 S 137-5470 (1987) Armaturenbrett, Motorhaube, Sitzwanne Ersatzteile
Armaturenbrett, Motorhaube, Sitzwanne 137-5470 (1987)

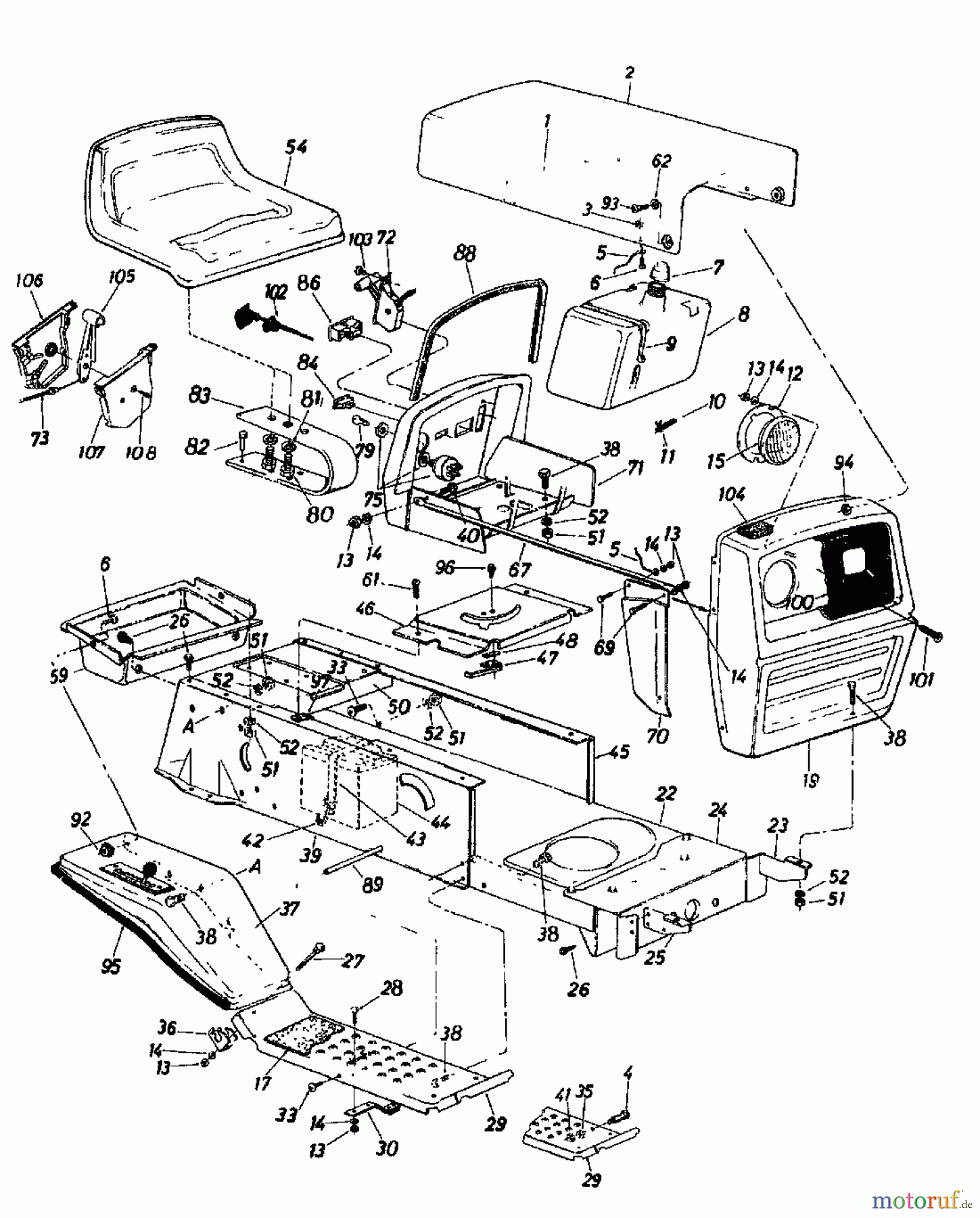
Hier finden Sie die Ersatzteilzeichnung für Novotrac Rasentraktoren NOVOTRAC 110 S 137-5470 (1987) Armaturenbrett, Motorhaube, Sitzwanne. Wählen Sie das benötigte Ersatzteil aus der Ersatzteilliste Ihres Novotrac Gerätes aus und bestellen Sie einfach online. Viele Novotrac Ersatzteile halten wir ständig in unserem Lager für Sie bereit.


Qualitätsmanagement
Informieren Sie uns, wenn Sie einen Fehler gefunden haben.















