Novotrac NOVOTRAC 110 S 137-5470 (1987) Fahrantrieb Ersatzteile
Fahrantrieb 137-5470 (1987)

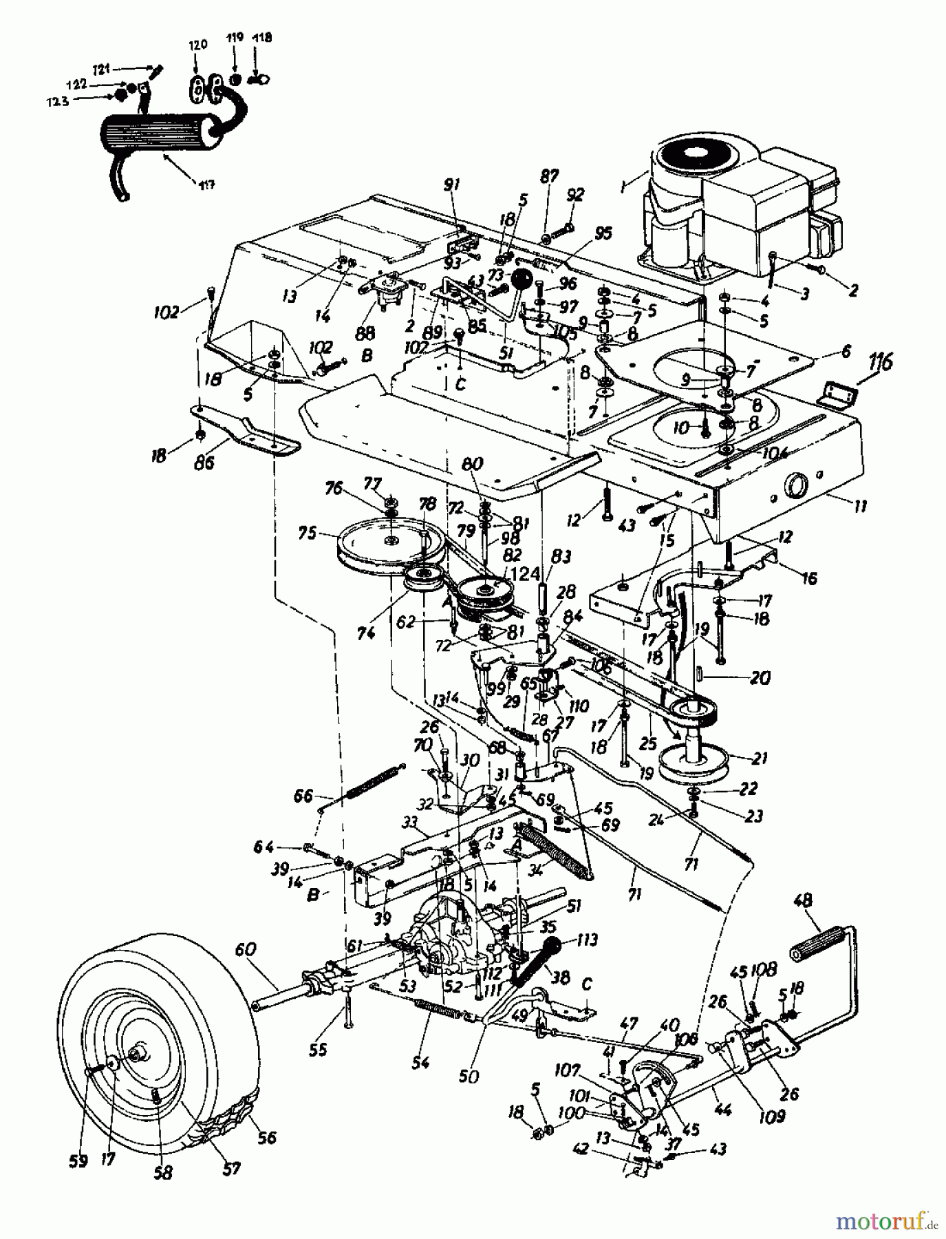
Hier finden Sie die Ersatzteilzeichnung für Novotrac Rasentraktoren NOVOTRAC 110 S 137-5470 (1987) Fahrantrieb. Wählen Sie das benötigte Ersatzteil aus der Ersatzteilliste Ihres Novotrac Gerätes aus und bestellen Sie einfach online. Viele Novotrac Ersatzteile halten wir ständig in unserem Lager für Sie bereit.














































