Novotrac NOVOTRAC 11 Classic 139-5270 (1989) Vorderachse Ersatzteile
Vorderachse 139-5270 (1989)

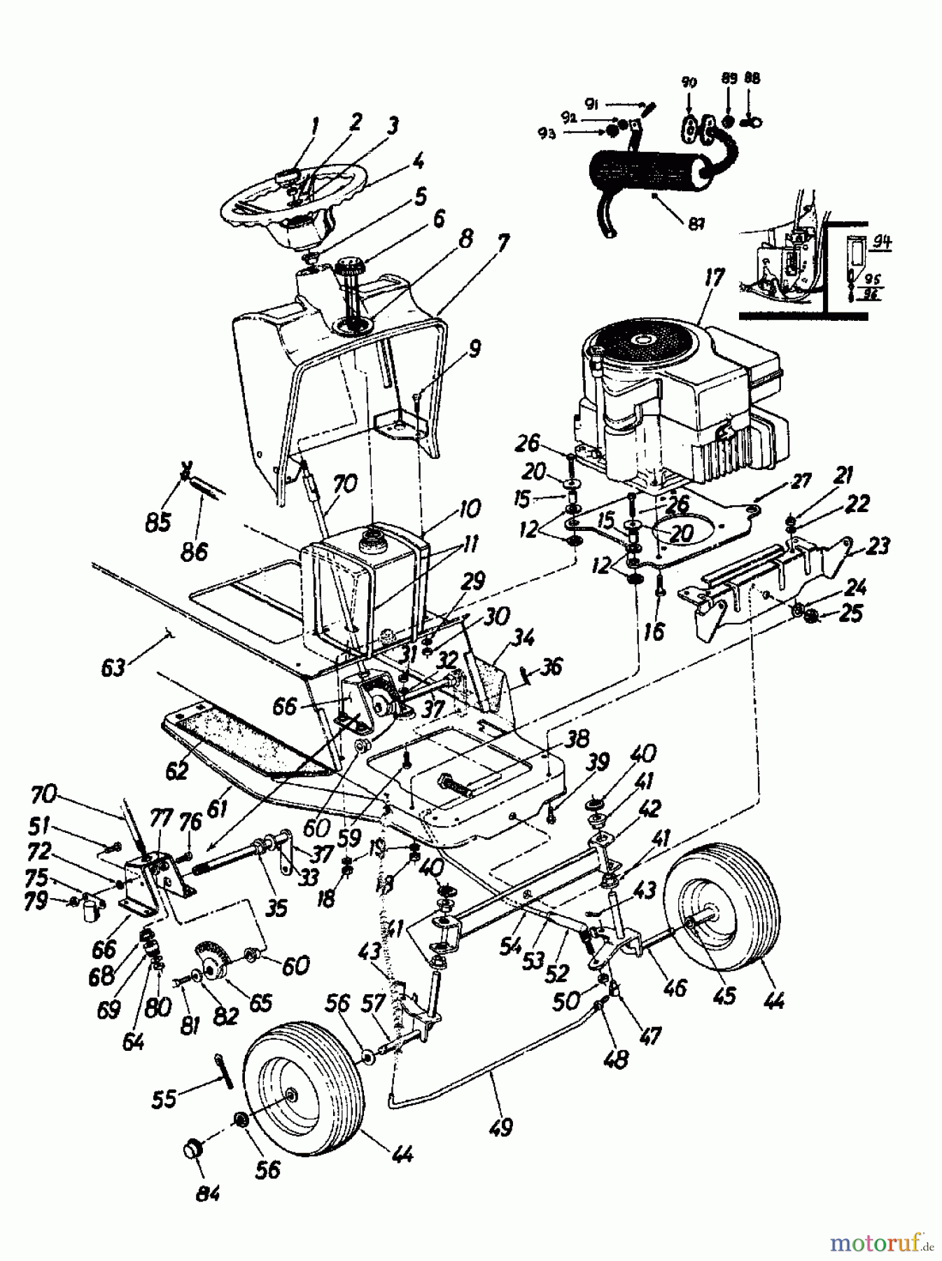
Hier finden Sie die Ersatzteilzeichnung für Novotrac Rasentraktoren NOVOTRAC 11 Classic 139-5270 (1989) Vorderachse. Wählen Sie das benötigte Ersatzteil aus der Ersatzteilliste Ihres Novotrac Gerätes aus und bestellen Sie einfach online. Viele Novotrac Ersatzteile halten wir ständig in unserem Lager für Sie bereit.























