MTD-Motoren 1 P 65 WHB 752Z1P65WHB (2010) Regler Ersatzteile
Regler 752Z1P65WHB (2010)

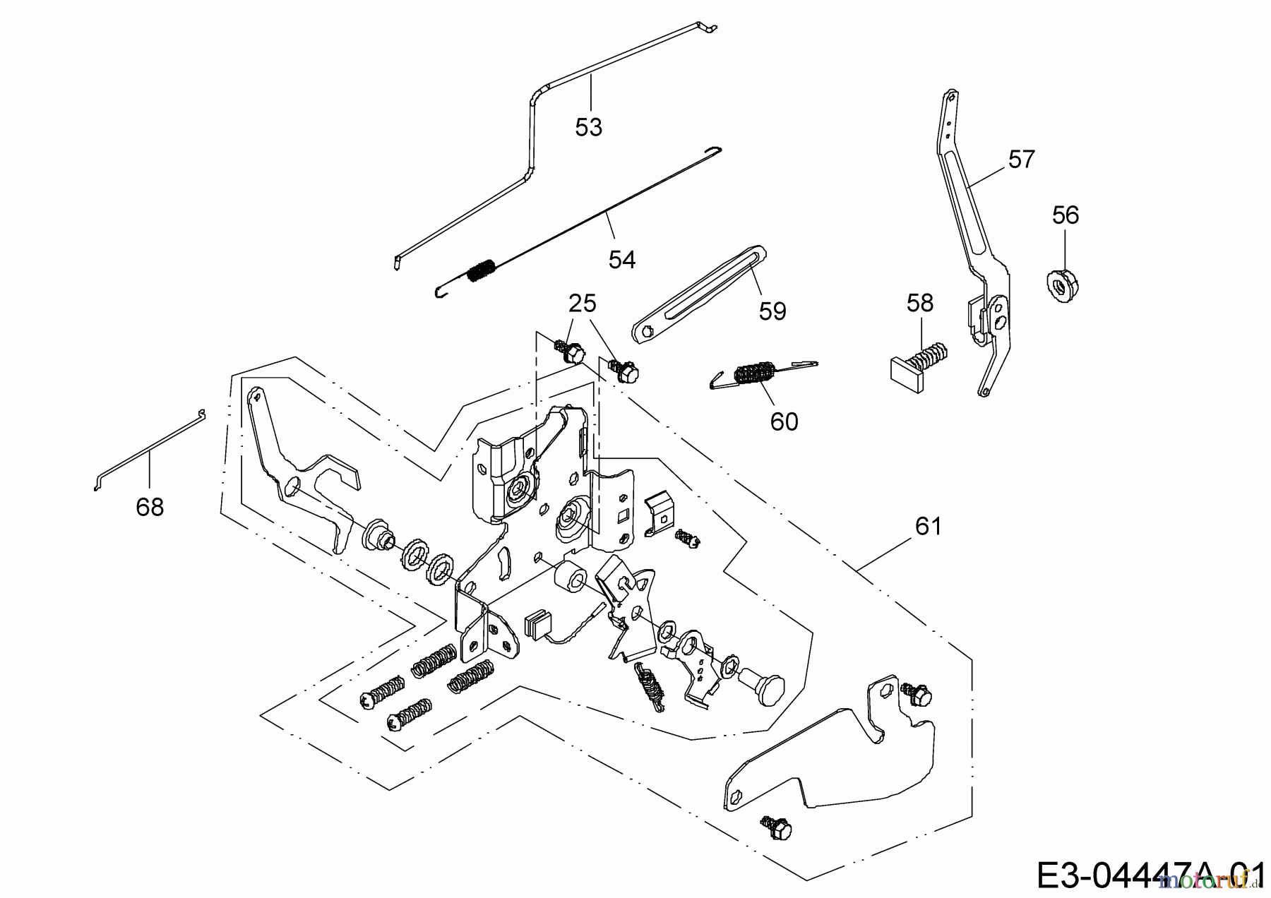
Hier finden Sie die Ersatzteilzeichnung für MTD-Motoren MTD vertikal 1 P 65 WHB 752Z1P65WHB (2010) Regler. Wählen Sie das benötigte Ersatzteil aus der Ersatzteilliste Ihres MTD-Motoren Gerätes aus und bestellen Sie einfach online. Viele MTD-Motoren Ersatzteile halten wir ständig in unserem Lager für Sie bereit.


Qualitätsmanagement
Informieren Sie uns, wenn Sie einen Fehler gefunden haben.

