Rasor MARS 46 R 12ABG28X618 (2012) Ersatzteile
12ABG28X618 (2012) MARS 46 R

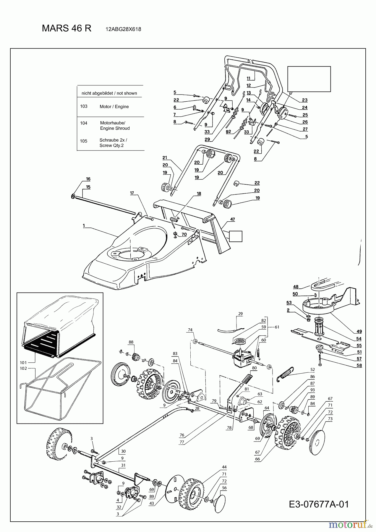
Hier finden Sie die Ersatzteilzeichnung für Rasor Motormäher mit Antrieb MARS 46 R 12ABG28X618 (2012) Grundgerät. Wählen Sie das benötigte Ersatzteil aus der Ersatzteilliste Ihres Rasor Gerätes aus und bestellen Sie einfach online. Viele Rasor Ersatzteile halten wir ständig in unserem Lager für Sie bereit.


Qualitätsmanagement
Informieren Sie uns, wenn Sie einen Fehler gefunden haben.




