Rasor MARS 40 11AMA1AQ618 (2009) Ersatzteile
11AMA1AQ618 (2009) MARS 40

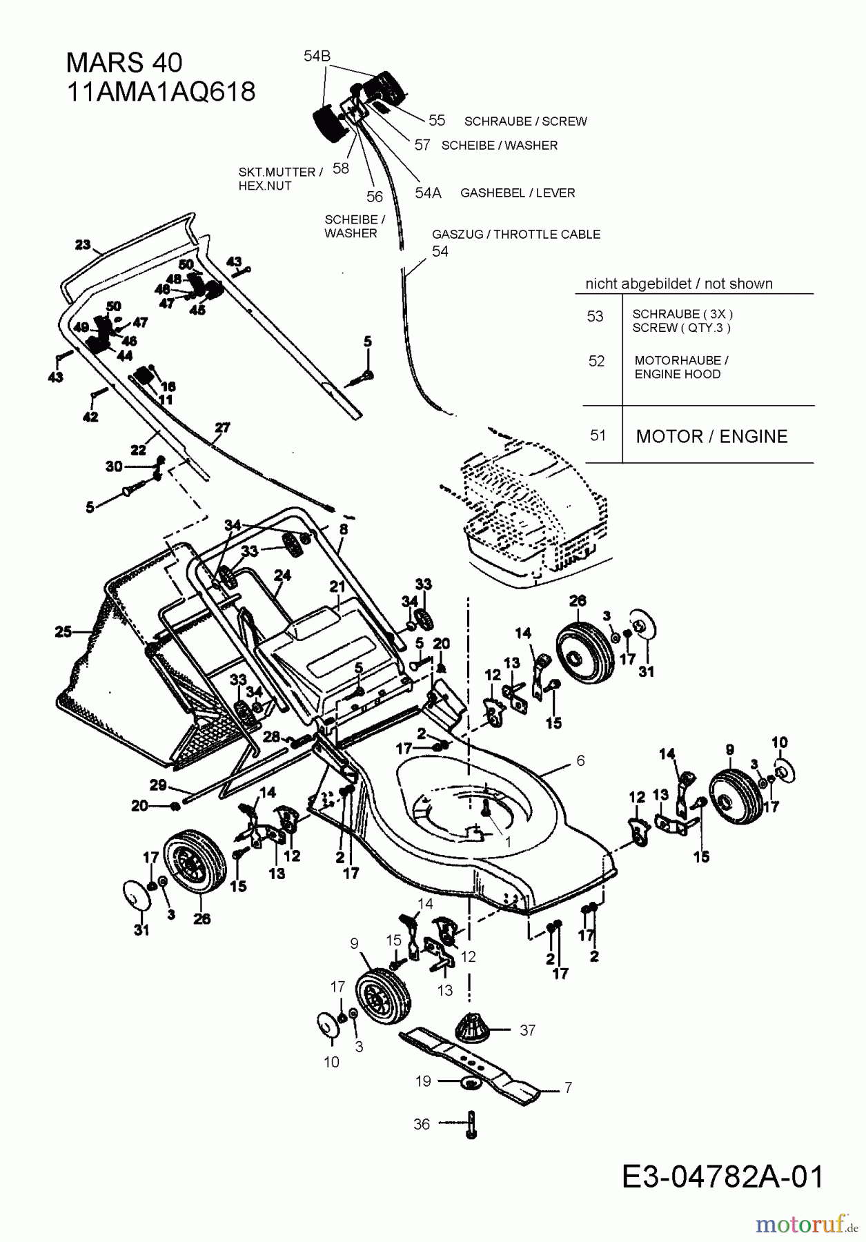
Hier finden Sie die Ersatzteilzeichnung für Rasor Motormäher MARS 40 11AMA1AQ618 (2009) Grundgerät. Wählen Sie das benötigte Ersatzteil aus der Ersatzteilliste Ihres Rasor Gerätes aus und bestellen Sie einfach online. Viele Rasor Ersatzteile halten wir ständig in unserem Lager für Sie bereit.


Qualitätsmanagement
Informieren Sie uns, wenn Sie einen Fehler gefunden haben.












