Rasor MARS 46 11AMB1AQ618 (2009) Ersatzteile
11AMB1AQ618 (2009) MARS 46

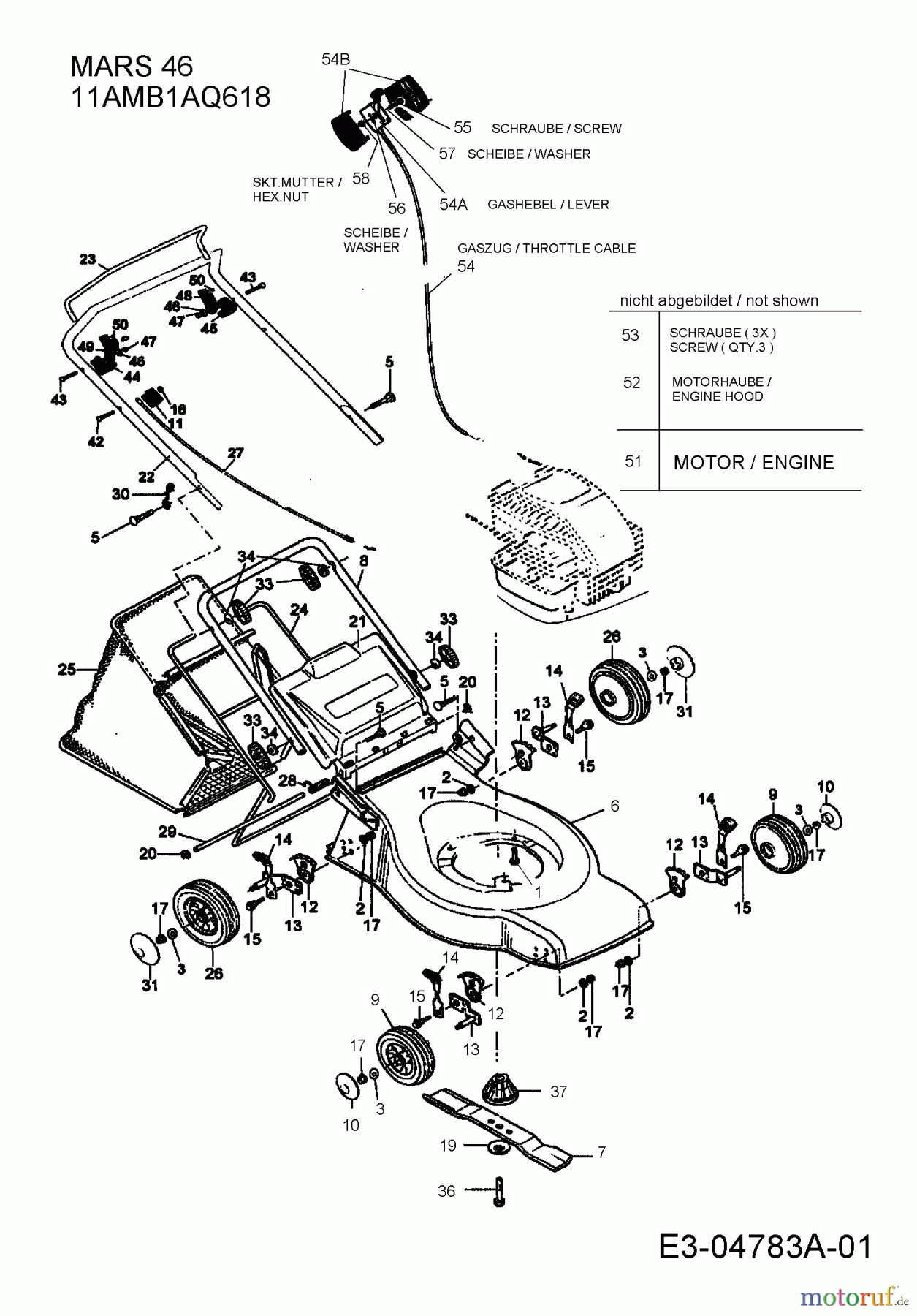
Hier finden Sie die Ersatzteilzeichnung für Rasor Motormäher MARS 46 11AMB1AQ618 (2009) Grundgerät. Wählen Sie das benötigte Ersatzteil aus der Ersatzteilliste Ihres Rasor Gerätes aus und bestellen Sie einfach online. Viele Rasor Ersatzteile halten wir ständig in unserem Lager für Sie bereit.















