Gartenland GL 13,5-92 T 13AH773E640 (2012) Grasfangeinrichtung Ersatzteile
Grasfangeinrichtung 13AH773E640 (2012)

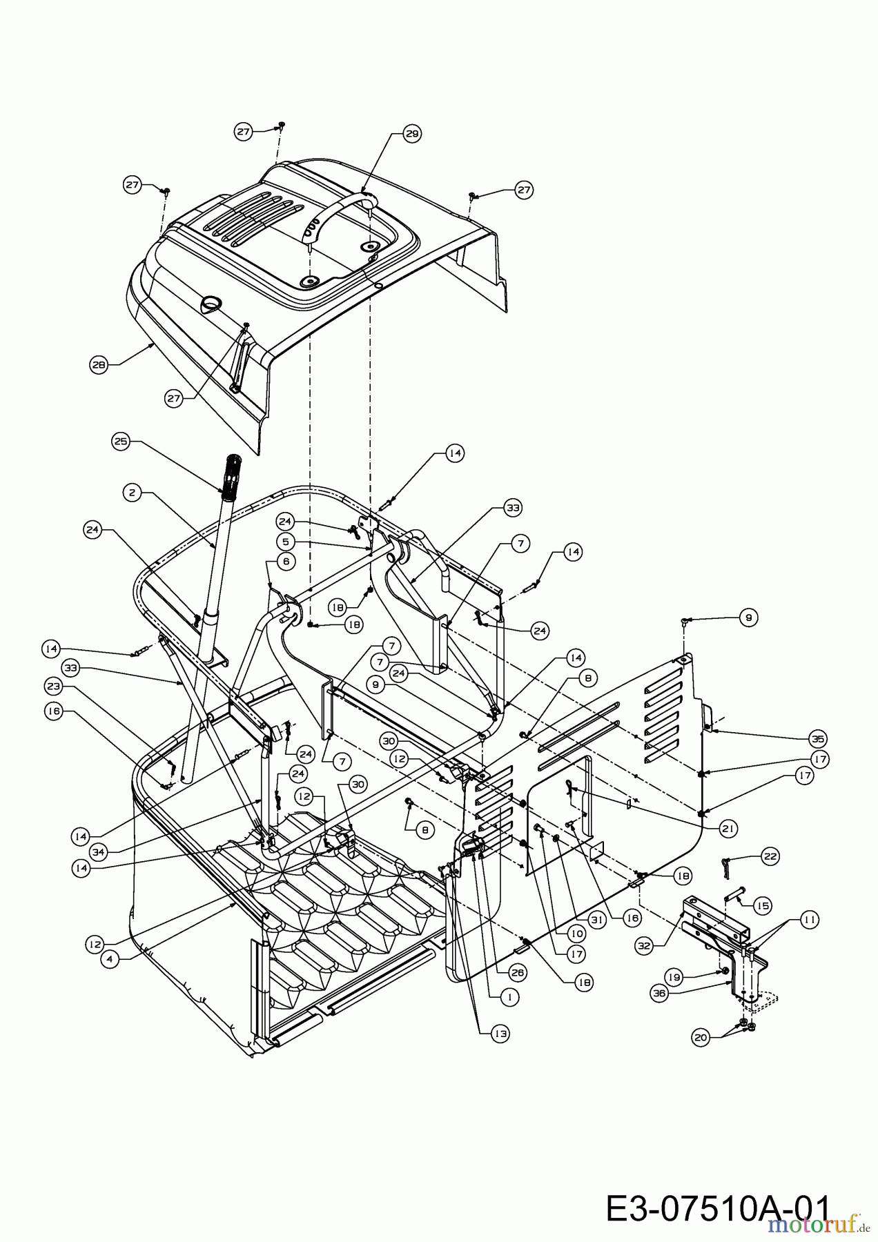
Hier finden Sie die Ersatzteilzeichnung für Gartenland Rasentraktoren GL 13,5-92 T 13AH773E640 (2012) Grasfangeinrichtung. Wählen Sie das benötigte Ersatzteil aus der Ersatzteilliste Ihres Gartenland Gerätes aus und bestellen Sie einfach online. Viele Gartenland Ersatzteile halten wir ständig in unserem Lager für Sie bereit.


Qualitätsmanagement
Informieren Sie uns, wenn Sie einen Fehler gefunden haben.














