Efco Kommand 105/17,5 HPlus 13AN49KN637 (2009) Motorzubehör Ersatzteile
Motorzubehör 13AN49KN637 (2009)

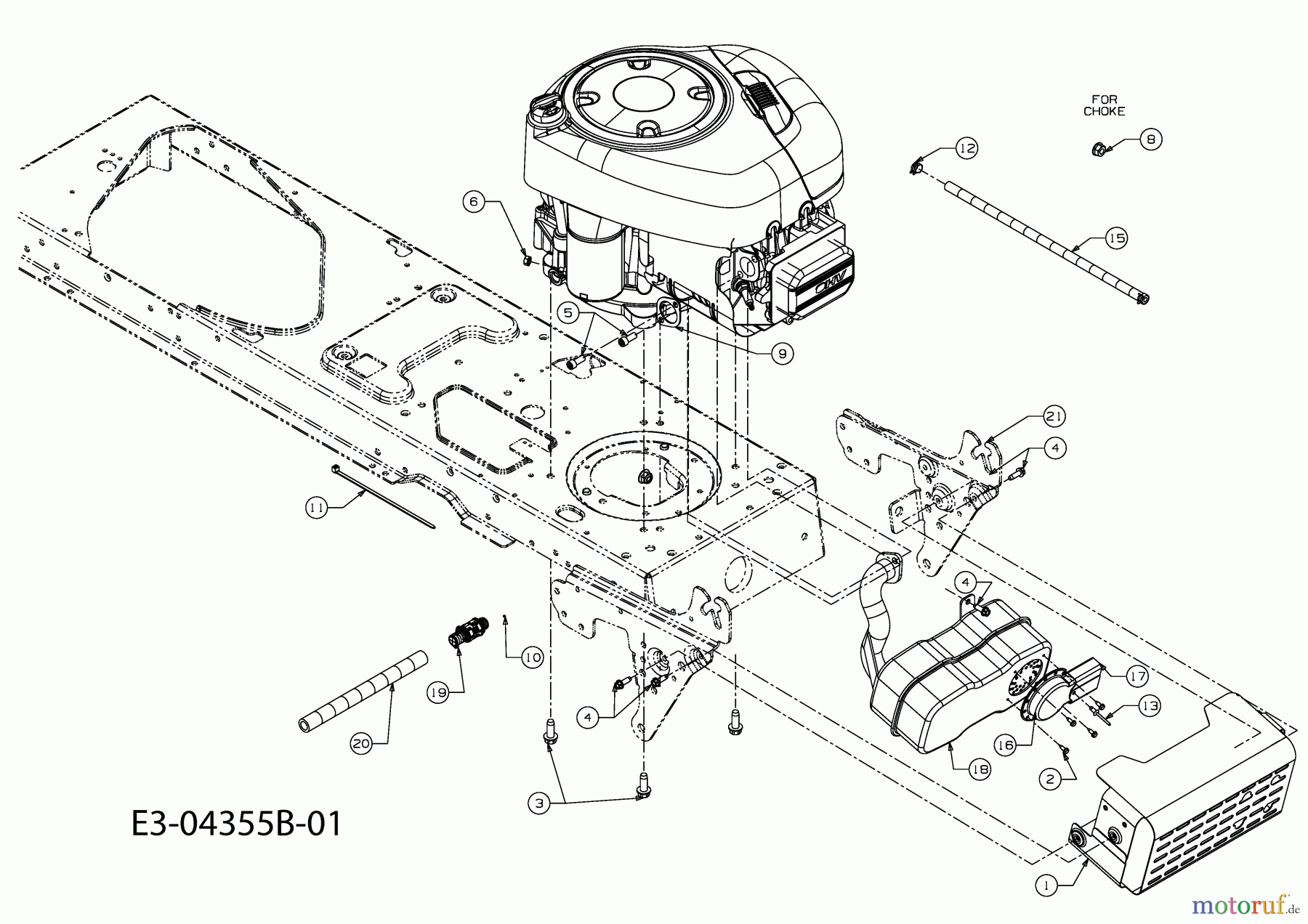
Hier finden Sie die Ersatzteilzeichnung für Efco Rasentraktoren Kommand 105/17,5 HPlus 13AN49KN637 (2009) Motorzubehör. Wählen Sie das benötigte Ersatzteil aus der Ersatzteilliste Ihres Efco Gerätes aus und bestellen Sie einfach online. Viele Efco Ersatzteile halten wir ständig in unserem Lager für Sie bereit.


Qualitätsmanagement
Informieren Sie uns, wenn Sie einen Fehler gefunden haben.











