Efco Formula 97/13.5 T 13AH779F637 (2006) Geschwindigkeitsregelung, Pedale Ersatzteile
Geschwindigkeitsregelung, Pedale 13AH779F637 (2006)

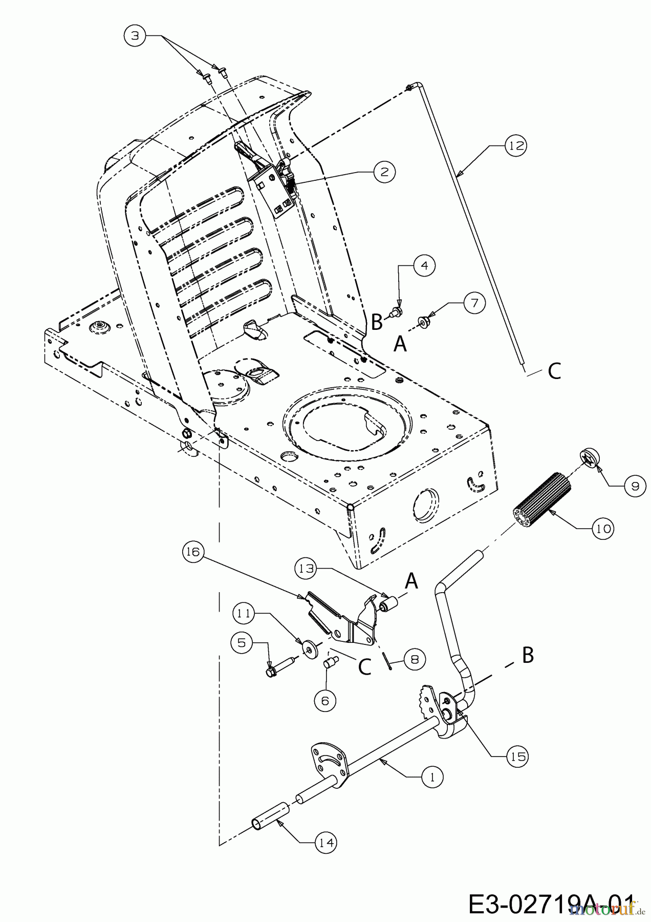
Hier finden Sie die Ersatzteilzeichnung für Efco Rasentraktoren Formula 97/13.5 T 13AH779F637 (2006) Geschwindigkeitsregelung, Pedale. Wählen Sie das benötigte Ersatzteil aus der Ersatzteilliste Ihres Efco Gerätes aus und bestellen Sie einfach online. Viele Efco Ersatzteile halten wir ständig in unserem Lager für Sie bereit.


Qualitätsmanagement
Informieren Sie uns, wenn Sie einen Fehler gefunden haben.







