White SB 628 31AY65LG680 (2011) Armaturenbrett Ersatzteile
Armaturenbrett 31AY65LG680 (2011)

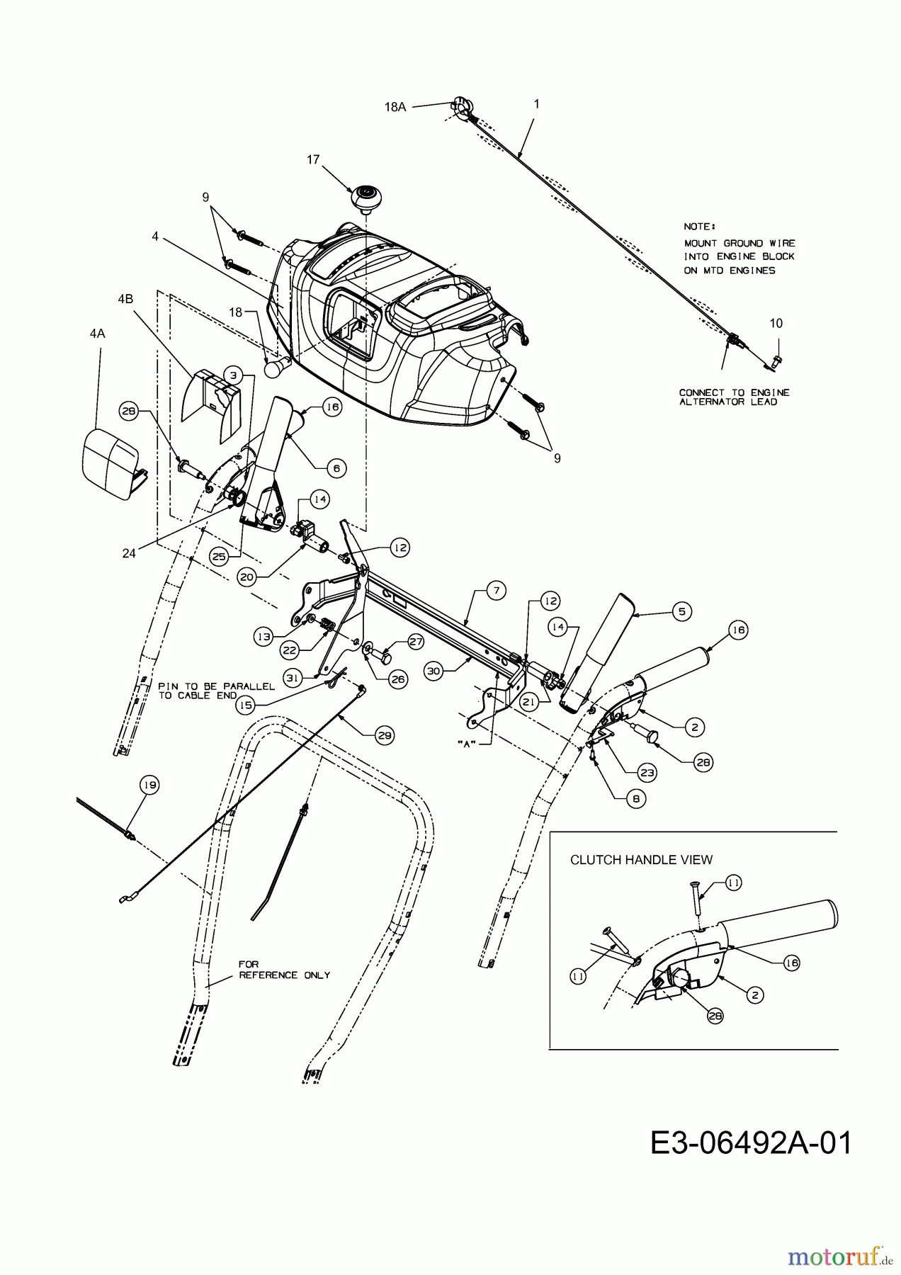
Hier finden Sie die Ersatzteilzeichnung für White Schneefräsen SB 628 31AY65LG680 (2011) Armaturenbrett. Wählen Sie das benötigte Ersatzteil aus der Ersatzteilliste Ihres White Gerätes aus und bestellen Sie einfach online. Viele White Ersatzteile halten wir ständig in unserem Lager für Sie bereit.


Qualitätsmanagement
Informieren Sie uns, wenn Sie einen Fehler gefunden haben.








