White RI 700 13A-312-679 (1999) Tank Ersatzteile
Tank 13A-312-679 (1999)

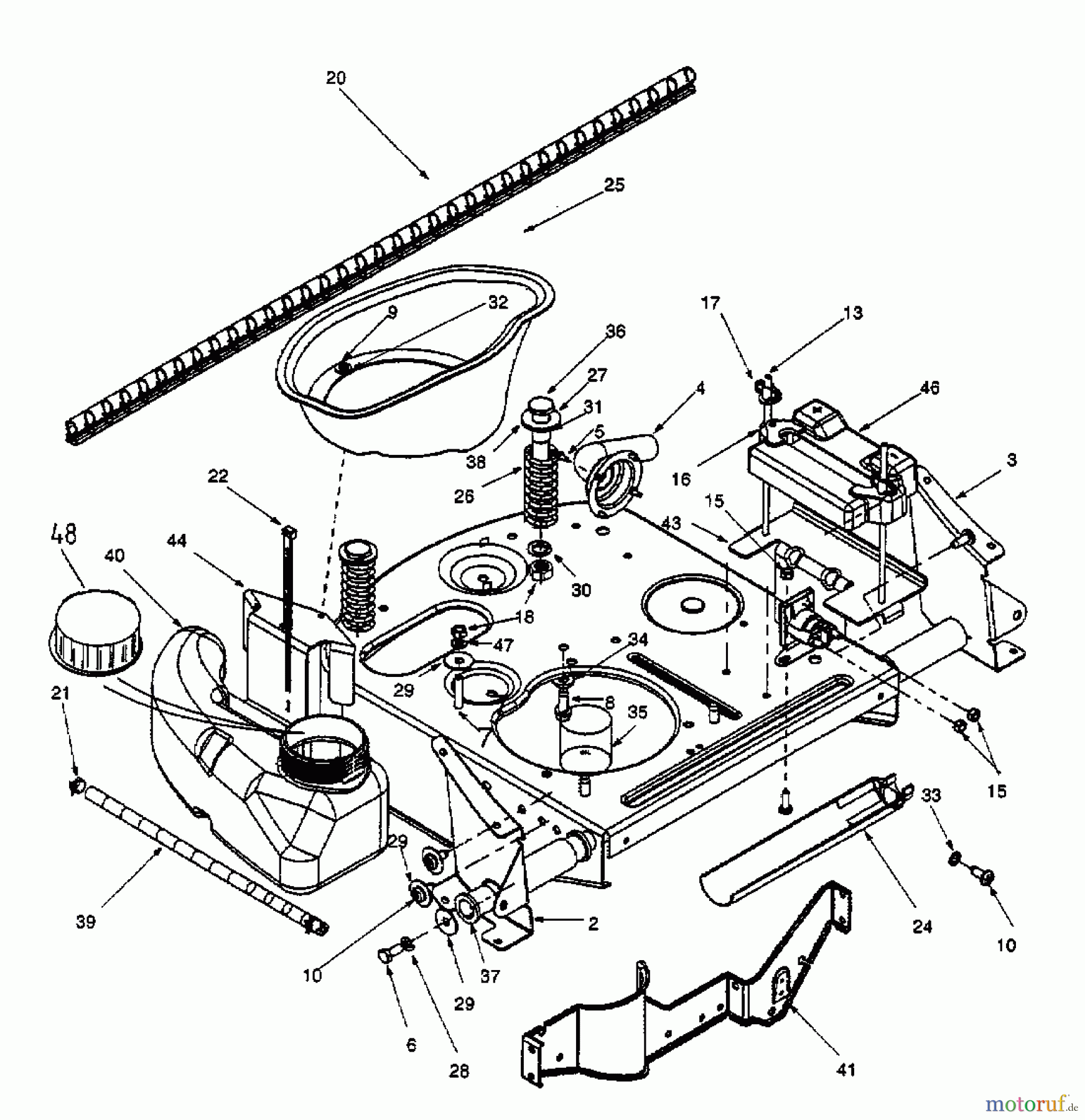
Hier finden Sie die Ersatzteilzeichnung für White Rasentraktoren RI 700 13A-312-679 (1999) Tank. Wählen Sie das benötigte Ersatzteil aus der Ersatzteilliste Ihres White Gerätes aus und bestellen Sie einfach online. Viele White Ersatzteile halten wir ständig in unserem Lager für Sie bereit.


















