White N 676 C 134N676C679 (1994) Armaturenbrett, Motorhaube 6-Style, Sitzwanne Ersatzteile
Armaturenbrett, Motorhaube 6-Style, Sitzwanne 134N676C679 (1994)

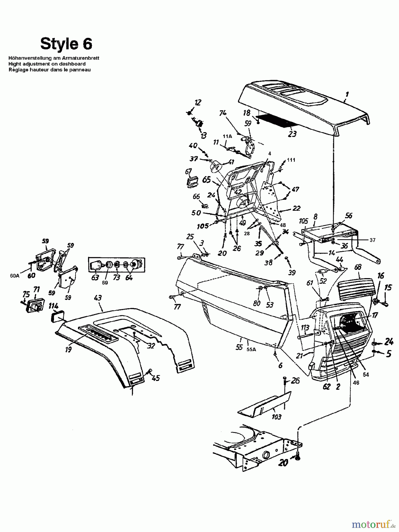
Hier finden Sie die Ersatzteilzeichnung für White Rasentraktoren N 676 C 134N676C679 (1994) Armaturenbrett, Motorhaube 6-Style, Sitzwanne. Wählen Sie das benötigte Ersatzteil aus der Ersatzteilliste Ihres White Gerätes aus und bestellen Sie einfach online. Viele White Ersatzteile halten wir ständig in unserem Lager für Sie bereit.
























