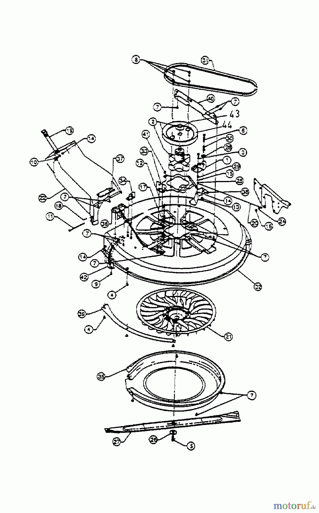
White LR 115 13BC452C679 (1998) Mähwerk C (30"/76cm) Ersatzteile
Mähwerk C (30"/76cm) 13BC452C679 (1998)

Hier finden Sie die Ersatzteilzeichnung für White Rasentraktoren LR 115 13BC452C679 (1998) Mähwerk C (30"/76cm). Wählen Sie das benötigte Ersatzteil aus der Ersatzteilliste Ihres White Gerätes aus und bestellen Sie einfach online. Viele White Ersatzteile halten wir ständig in unserem Lager für Sie bereit.


Qualitätsmanagement
Informieren Sie uns, wenn Sie einen Fehler gefunden haben.




















