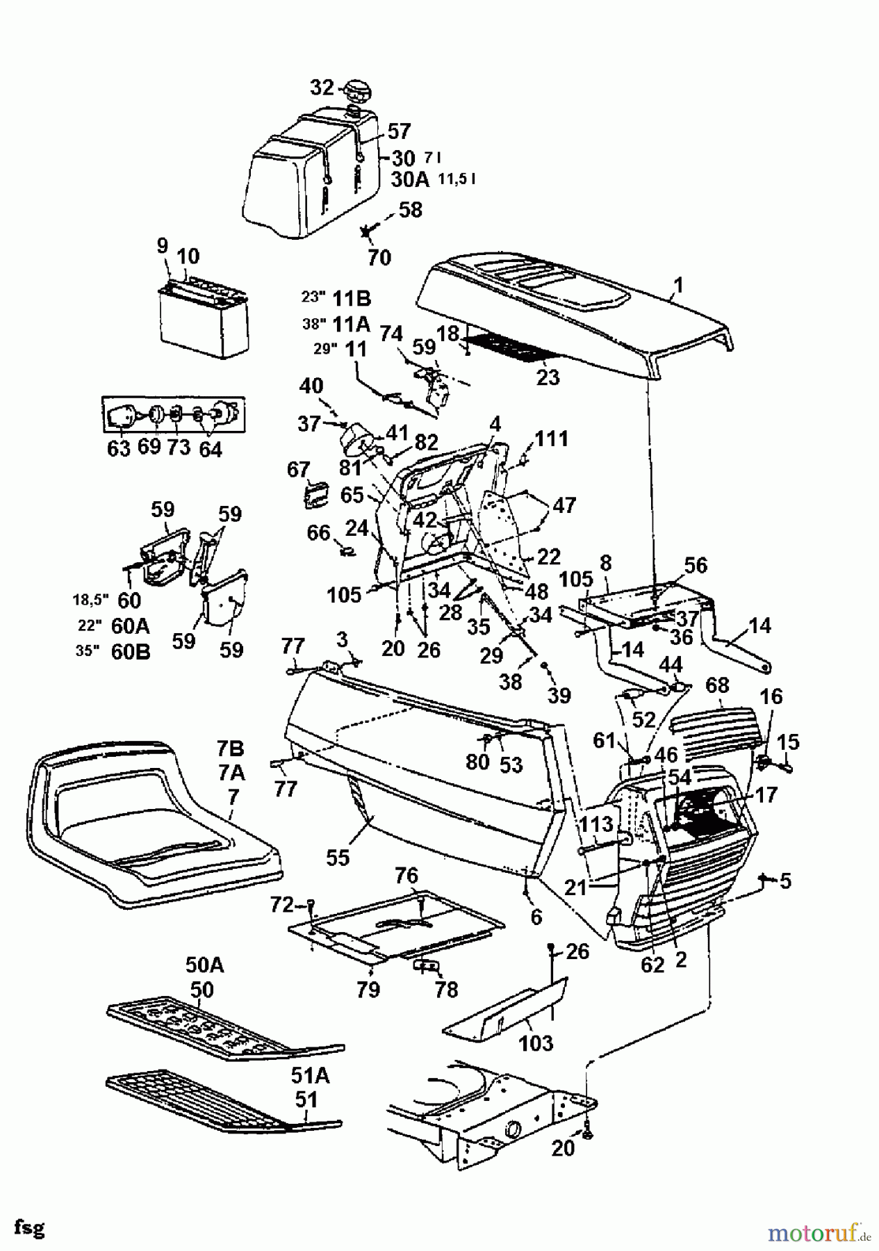
White ET 13 13AN766N679 (1997) Motorhaube 6-Style Ersatzteile
Motorhaube 6-Style 13AN766N679 (1997)

Hier finden Sie die Ersatzteilzeichnung für White Rasentraktoren ET 13 13AN766N679 (1997) Motorhaube 6-Style. Wählen Sie das benötigte Ersatzteil aus der Ersatzteilliste Ihres White Gerätes aus und bestellen Sie einfach online. Viele White Ersatzteile halten wir ständig in unserem Lager für Sie bereit.


Qualitätsmanagement
Informieren Sie uns, wenn Sie einen Fehler gefunden haben.



























