Einkaufswagen
Mein Konto

White RP-21 11A-418C679 (1998) Ersatzteile

11A-418C679 (1998) RP-21

 White Motormäher RP-21 11A-418C679  (1998) Grundgerät

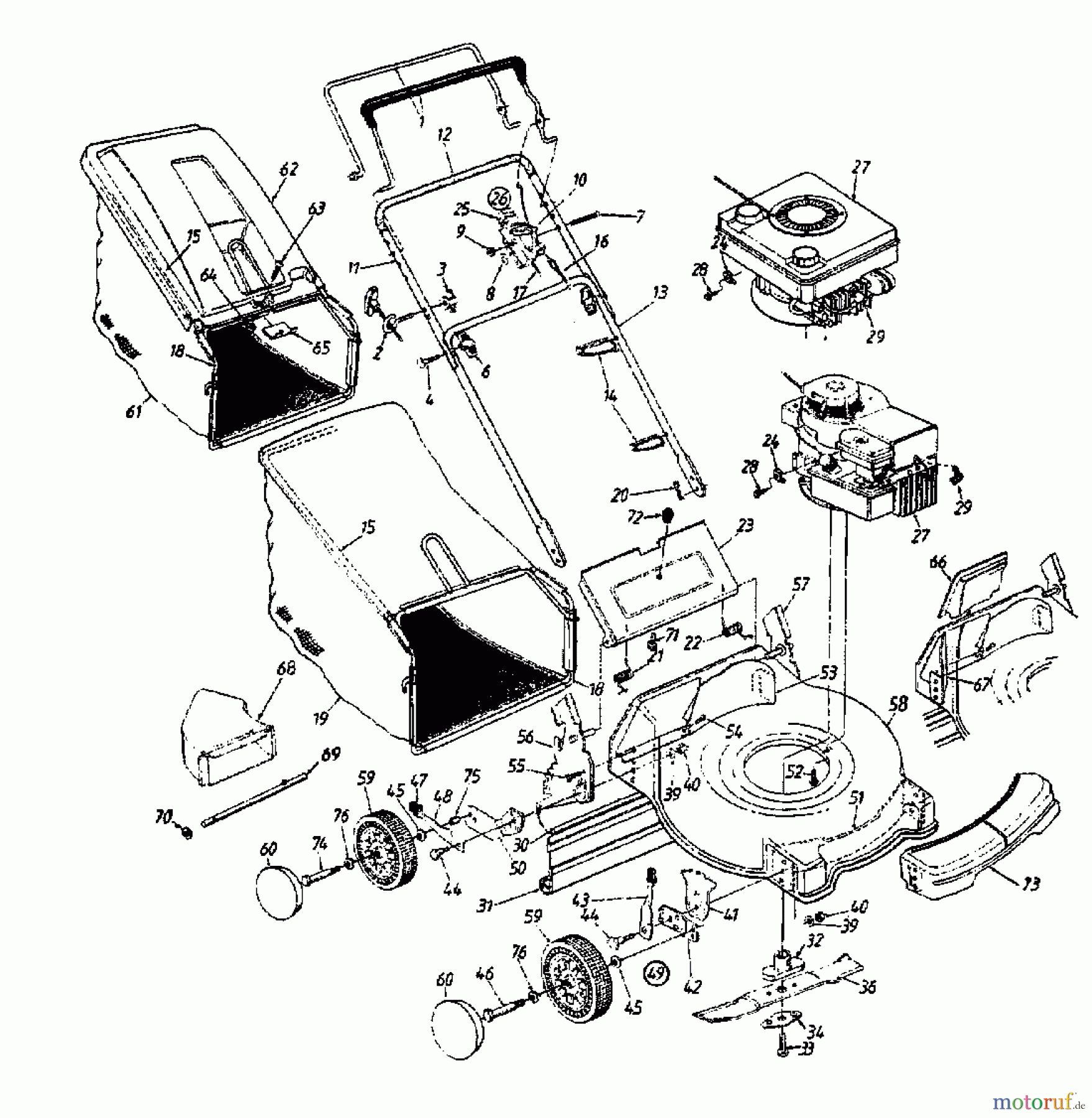
Hier finden Sie die Ersatzteilzeichnung für White Motormäher RP-21 11A-418C679 (1998) Grundgerät. Wählen Sie das benötigte Ersatzteil aus der Ersatzteilliste Ihres White Gerätes aus und bestellen Sie einfach online. Viele White Ersatzteile halten wir ständig in unserem Lager für Sie bereit.

BildNrArtikel NummerBezeichnung
1 747-0824BREMSBÜGEL
1 647-0004BREMSBÜGEL"DELUXE"
1 747-0615
2 710-1205STARTERHALTER:1/4-20
3 720-0279FLUEGELMUTTER 1/4-20THD.
4 710-1174HALBRUNDSCHR:5/16-18:2.0:CRVD
6 720-0276FLÜGELMUTTER 5/16-18
7 710-1270SCHRAUBE:1/4-20:1.310:OVALCSK
7 710-0605SCHR:MACH:1/4-20:1.825:OVALCSK
8 White WELLENSCHEIBE:.663 x.980 x.014736-0501WELLENSCHEIBE:.663 x.980 x.014
9 712-03246KT-S-MUTTER:1/4-20:GR8:NYLON
10 White GASHEBEL746-0876GASHEBEL
11 749-0538CLENKER OBEN
12 720-0295LENKERBEZUG 22" W/SKIN
13 749-0928UNTERHOLM
14 726-0240KABELBINDER:4.8x178 LG
15 764-0310GESTÄNGE F. GRASFANGSACK
16 746-0550BOWDENZUG 39.0" LG.
16 746-0552BOWDENZUG 49.0" LG.
16 746-0737BOWDENZUG
16 White BOWDENZUG 36.0" LG. (BREMSE)746-0553BOWDENZUG 36.0" LG. (BREMSE)
17 746-0843GASZUG 55.O" LG.
17 746-0847BOWDENZUG 42"
17 746-0842BOWDENZUG 51.O" LG. ( GAS )
18 764-0311RAHMEN-VORDERTEIL
19 764-0476AGRASFANGSACK/MTD-LOGO
19 764-0309GRASFANGSACK
20 White FEDERSTECKER:.072DIA x 1.13 LG714-0104FEDERSTECKER:.072DIA x 1.13 LG
22 732-0677FEDER
23 782-7000PRALLBLECH
24 751B213146BEFESTIGUNGSKLEMME:B&S GASZUG
24 751-0007774
24 7510007775KABELBEFESTIGUNG
25 646-0875GEHAEUSE GASFERNBED.
26 811-00185SG: GASFERNBEDIENUNG KPL.
26 746-0883GEHÄUSE/BOWDENZUGHALTER
28 710-12376KT-SCHR:T:#10-32:0.625:HXINDW
29 735-0639SCHUTZ F.ZÜNDK.-STECKER
30 732-0700STANGE
31 731-1236GUMMILEISTE 4,30X17,66
32 753-0588SATZ MITNEHMER M. KEIL
33 White SKT-SCHR.:3/8-24:1.50:GR8:SPEC710-1044SKT-SCHR.:3/8-24:1.50:GR8:SPEC
34 736-0524AMESSERHALTER F.STERNAUFN.
35 White MULCHMESSER 21" MIT STERN742-0741MULCHMESSER 21" MIT STERN
39 White TELLERFEDER:.390x 1.380x.062736-0356TELLERFEDER:.390x 1.380x.062
40 712-07986KT-MUTTER:3/8-16:GR2
41 15261ASTELLPLATTE
42 15262BRADTRÄGER VERZINKT
43 14832VERSTELLHEBEL MIT KNOPF
44 White SCHULTERSCHR:.500 DIA x .434738-0507BSCHULTERSCHR:.500 DIA x .434
45 White TELLERFEDER:.401 x.870 x.063736-0105TELLERFEDER:.401 x.870 x.063
46 738-0102SHLT-SCHRAUBE
47 720-0190KNOPF (Höhenverstellung)
48 732-0417AVERSTELLHEBEL
50 14766VERSTELLARM LINKS
51 782-5002LEITBLECH
52 White 6KT-SCHR.:TTSEMS:3/8-16:1.000710-0654A6KT-SCHR.:TTSEMS:3/8-16:1.000
53 782-5003LEITBLECH
54 White SCHR:AB:1/4-14:.625:TRUSTRXI710-1017SCHR:AB:1/4-14:.625:TRUSTRXI
55 White SCHRAUBE:1/4-14:0,625:HXINDWSH710-0896SCHRAUBE:1/4-14:0,625:HXINDWSH
56 682-0516HOLMLAGERUNG rechts
57 682-0515HÖHENVERSTELLUNG LINKS
58 782-0310ARASENMÄHERDECK
60 White RADKAPPE EURO GRAU720-0249RADKAPPE EURO GRAU
60 731-0981ARADKAPPE RADIAL SPEICHE GRAU
61 764-0433GRASFANGSACK
62 731-1322AGRASFANGSACKABDECKUNG
62 731-0876
63 710-0286FLK-SCHRAUBE:1/4-20:0.500:PAN
64 712-03246KT-S-MUTTER:1/4-20:GR8:NYLON
65 782-9011HALTER
66 782-5007AABDECKUNG
67 782-5004LEITBLECH MULCH LACKIERT
68 731-1405DEFLEKTOR
69 711-0996WELLE
70 White ZAHNSCHEIBE: .3125 ID726-0201ZAHNSCHEIBE: .3125 ID
71 710-0192HALBRUNDSCHR:#10-24:0.375:TRUS
72 720-0275KNOPF
74 738-0213SHLT-SCHRAUBE.498X1.45"
75 White DIST-SCHEIBE.380IDx.625ODx.21750-0535DIST-SCHEIBE.380IDx.625ODx.21
76 White WELLENSCHEIBE:.510 x.750 x.17736-0504WELLENSCHEIBE:.510 x.750 x.17
Rasen
Bankeinzug, MasterCard, Visa, American Express, PayPal, Nachnahme, Vorauskasse, Sofortüberweisung
Qualitätsmanagement
Informieren Sie uns, wenn Sie einen Fehler gefunden haben.