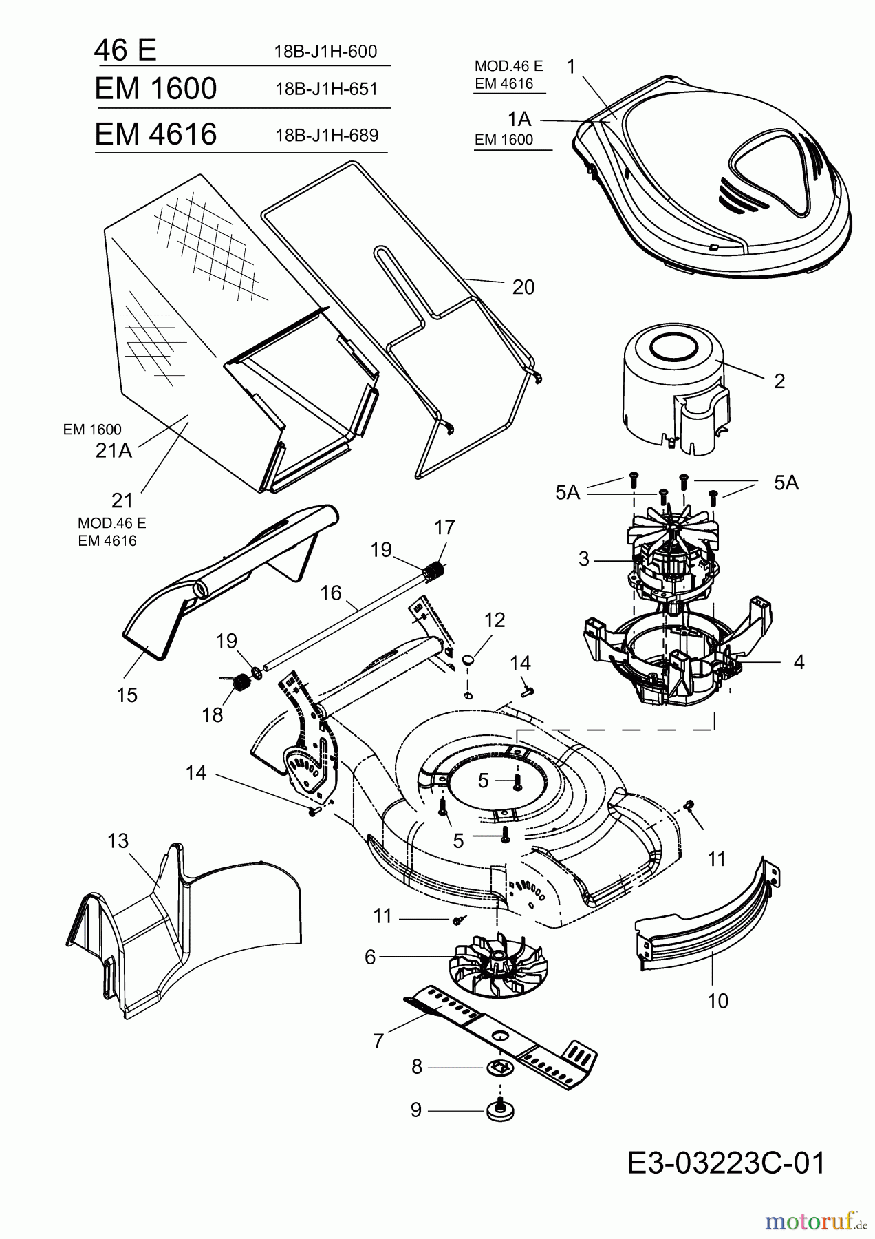
Terradena EM 1600 18B-J1H-651 (2009) Grasfangsack, Messer, Motor Ersatzteile
Grasfangsack, Messer, Motor 18B-J1H-651 (2009)

Hier finden Sie die Ersatzteilzeichnung für Terradena Elektromäher EM 1600 18B-J1H-651 (2009) Grasfangsack, Messer, Motor. Wählen Sie das benötigte Ersatzteil aus der Ersatzteilliste Ihres Terradena Gerätes aus und bestellen Sie einfach online. Viele Terradena Ersatzteile halten wir ständig in unserem Lager für Sie bereit.













