Stinnes Pro PRO-EH 45 02824.03 (1996) Ersatzteile
02824.03 (1996) PRO-EH 45

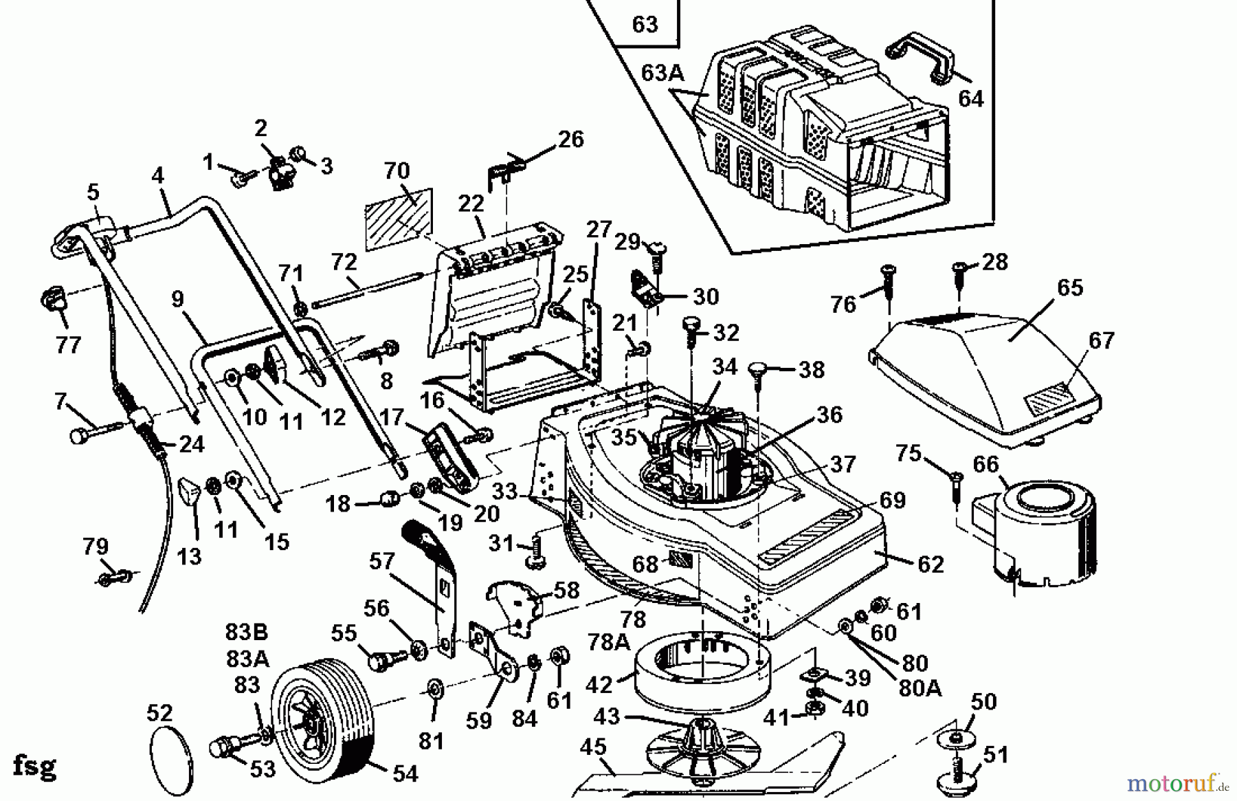
Hier finden Sie die Ersatzteilzeichnung für Stinnes Pro Elektromäher PRO-EH 45 02824.03 (1996) Grundgerät. Wählen Sie das benötigte Ersatzteil aus der Ersatzteilliste Ihres Stinnes Pro Gerätes aus und bestellen Sie einfach online. Viele Stinnes Pro Ersatzteile halten wir ständig in unserem Lager für Sie bereit.


Qualitätsmanagement
Informieren Sie uns, wenn Sie einen Fehler gefunden haben.




