Rotaro ROTARO 48 S 186-0157 (1986) Ersatzteile
186-0157 (1986) ROTARO 48 S

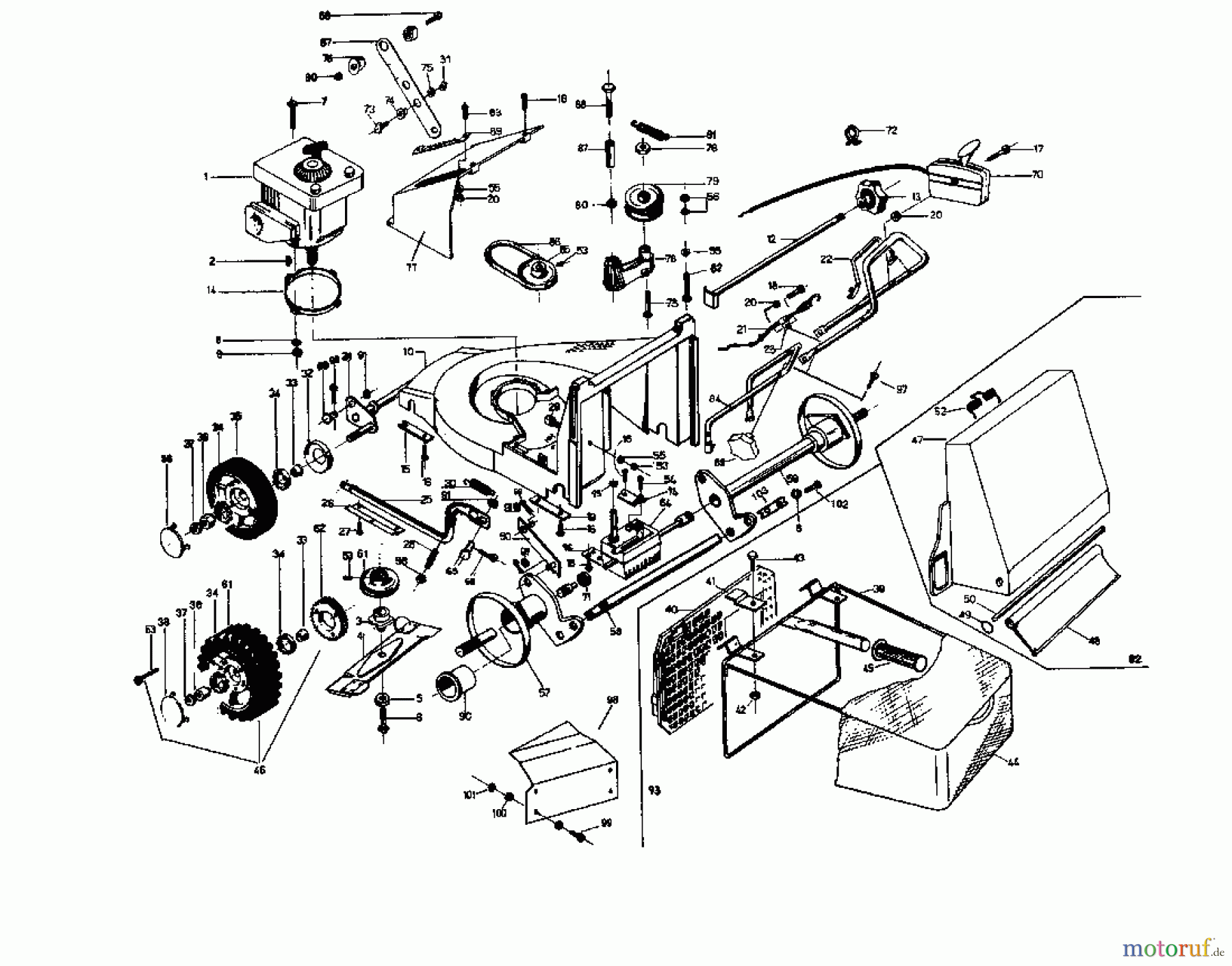
Hier finden Sie die Ersatzteilzeichnung für Rotaro Motormäher mit Antrieb ROTARO 48 S 186-0157 (1986) Grundgerät. Wählen Sie das benötigte Ersatzteil aus der Ersatzteilliste Ihres Rotaro Gerätes aus und bestellen Sie einfach online. Viele Rotaro Ersatzteile halten wir ständig in unserem Lager für Sie bereit.



