Rotaro ROTARO 40 187-0138 (1987) Ersatzteile
187-0138 (1987) ROTARO 40

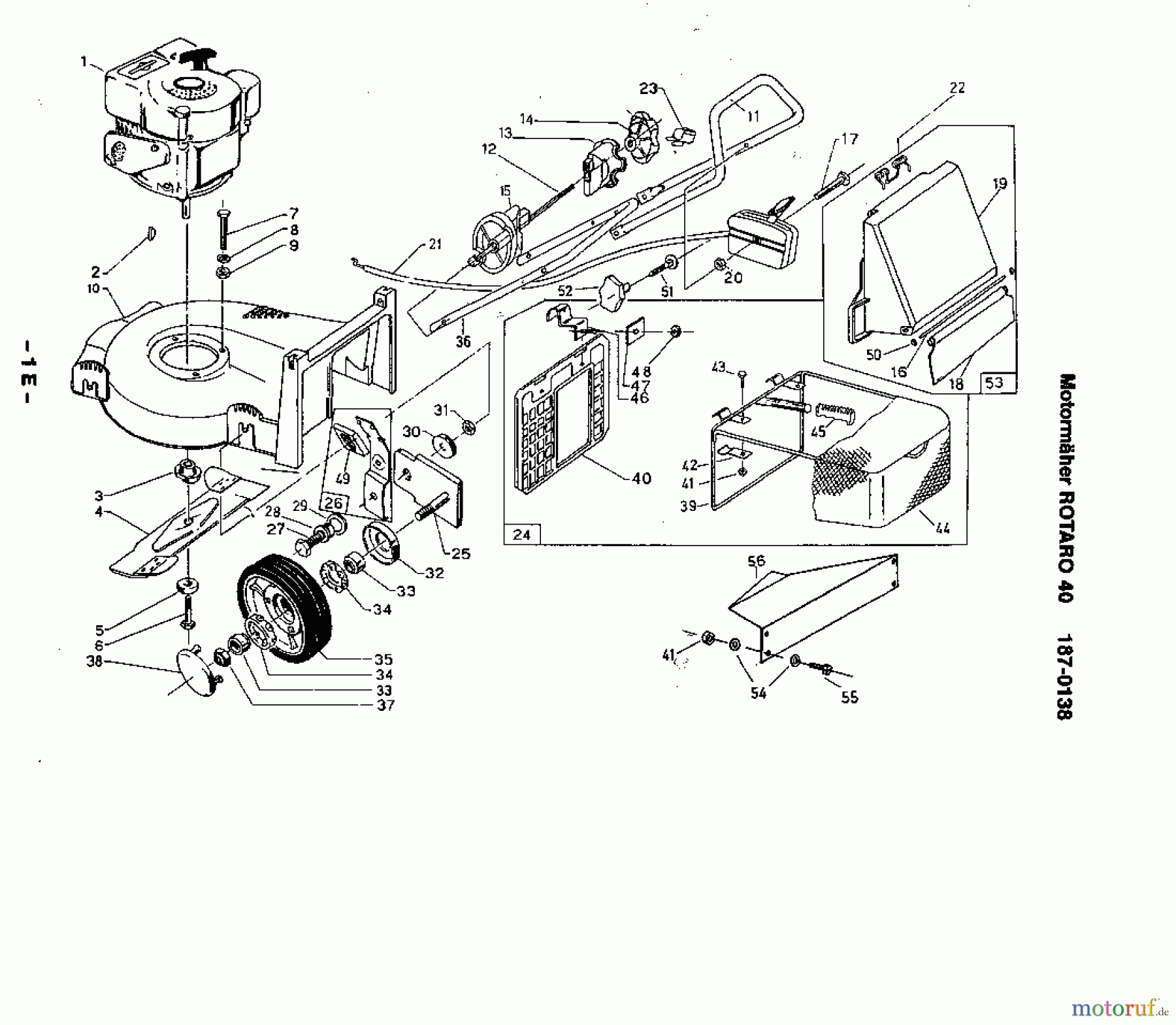
Hier finden Sie die Ersatzteilzeichnung für Rotaro Motormäher ROTARO 40 187-0138 (1987) Grundgerät. Wählen Sie das benötigte Ersatzteil aus der Ersatzteilliste Ihres Rotaro Gerätes aus und bestellen Sie einfach online. Viele Rotaro Ersatzteile halten wir ständig in unserem Lager für Sie bereit.


Qualitätsmanagement
Informieren Sie uns, wenn Sie einen Fehler gefunden haben.

