Rasant 32 VE 02826.06 (1996) Ersatzteile
02826.06 (1996) 32 VE

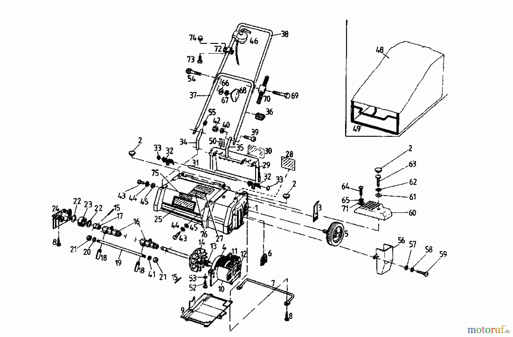
Hier finden Sie die Ersatzteilzeichnung für Rasant Elektrovertikutierer 32 VE 02826.06 (1996) Grundgerät. Wählen Sie das benötigte Ersatzteil aus der Ersatzteilliste Ihres Rasant Gerätes aus und bestellen Sie einfach online. Viele Rasant Ersatzteile halten wir ständig in unserem Lager für Sie bereit.


Qualitätsmanagement
Informieren Sie uns, wenn Sie einen Fehler gefunden haben.


