Rasant 45 EM 04041.01 (1995) Ersatzteile
04041.01 (1995) 45 EM

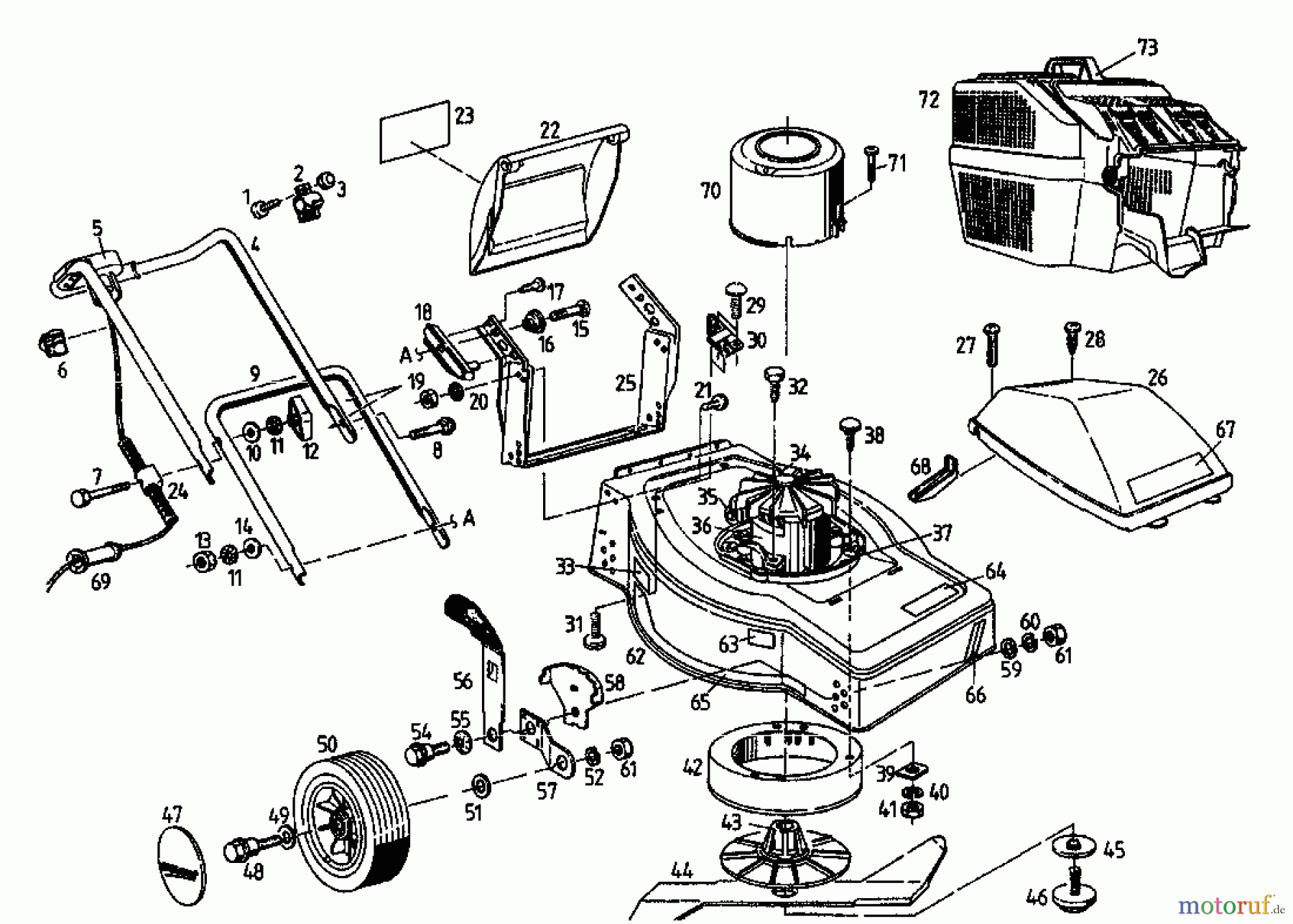
Hier finden Sie die Ersatzteilzeichnung für Rasant Elektromäher 45 EM 04041.01 (1995) Grundgerät. Wählen Sie das benötigte Ersatzteil aus der Ersatzteilliste Ihres Rasant Gerätes aus und bestellen Sie einfach online. Viele Rasant Ersatzteile halten wir ständig in unserem Lager für Sie bereit.





