Raiffeisen YMRMB 46 115-662E628 (1995) Ersatzteile
115-662E628 (1995) YMRMB 46

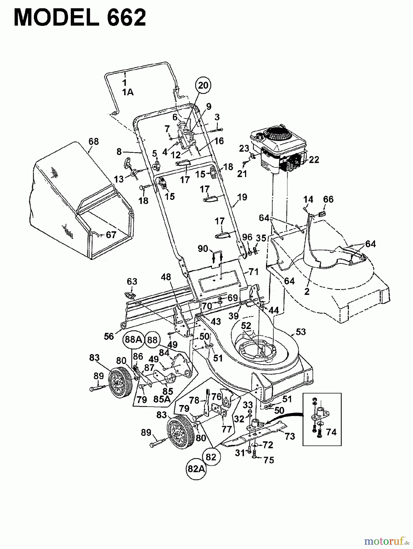
Hier finden Sie die Ersatzteilzeichnung für Raiffeisen Motormäher YMRMB 46 115-662E628 (1995) Grundgerät. Wählen Sie das benötigte Ersatzteil aus der Ersatzteilliste Ihres Raiffeisen Gerätes aus und bestellen Sie einfach online. Viele Raiffeisen Ersatzteile halten wir ständig in unserem Lager für Sie bereit.


Qualitätsmanagement
Informieren Sie uns, wenn Sie einen Fehler gefunden haben.

















