Raiffeisen RMS 18-117 145U844H628 (1995) Auspuff, Räder hinten, Mähwerksaushebung Ersatzteile
Auspuff, Räder hinten, Mähwerksaushebung 145U844H628 (1995)

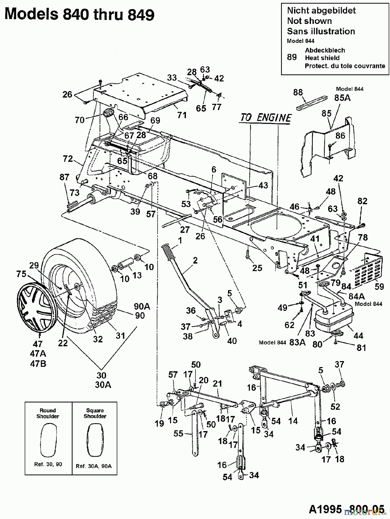
Hier finden Sie die Ersatzteilzeichnung für Raiffeisen Gartentraktoren RMS 18-117 145U844H628 (1995) Auspuff, Räder hinten, Mähwerksaushebung. Wählen Sie das benötigte Ersatzteil aus der Ersatzteilliste Ihres Raiffeisen Gerätes aus und bestellen Sie einfach online. Viele Raiffeisen Ersatzteile halten wir ständig in unserem Lager für Sie bereit.


Qualitätsmanagement
Informieren Sie uns, wenn Sie einen Fehler gefunden haben.

















