Nizza NIZZA 40 110-0081 (1990) Ersatzteile
110-0081 (1990) NIZZA 40

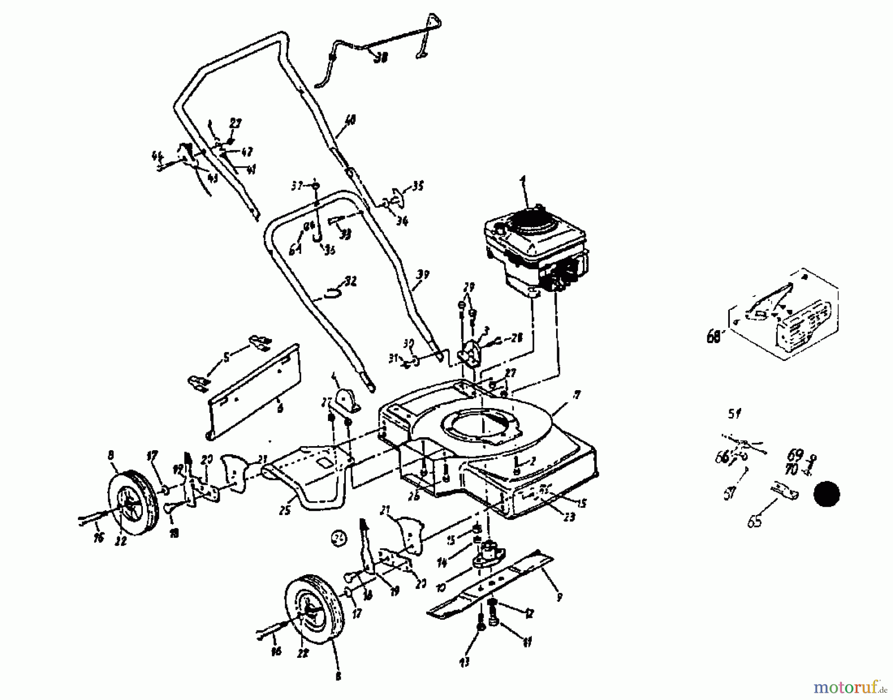
Hier finden Sie die Ersatzteilzeichnung für Nizza Motormäher NIZZA 40 110-0081 (1990) Grundgerät. Wählen Sie das benötigte Ersatzteil aus der Ersatzteilliste Ihres Nizza Gerätes aus und bestellen Sie einfach online. Viele Nizza Ersatzteile halten wir ständig in unserem Lager für Sie bereit.


Qualitätsmanagement
Informieren Sie uns, wenn Sie einen Fehler gefunden haben.












