Mastercut GF 56 12A-264A659 (2000) Ersatzteile
12A-264A659 (2000) GF 56

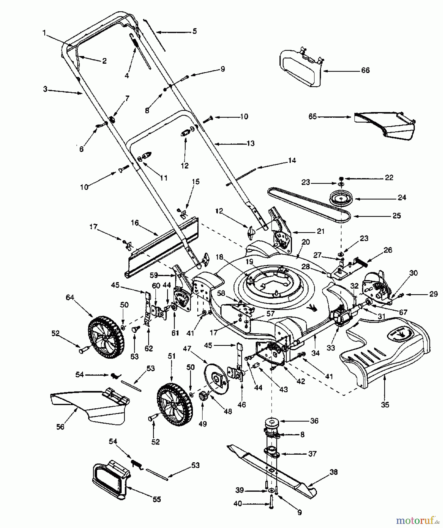
Hier finden Sie die Ersatzteilzeichnung für Mastercut Motormäher mit Antrieb GF 56 12A-264A659 (2000) Grundgerät. Wählen Sie das benötigte Ersatzteil aus der Ersatzteilliste Ihres Mastercut Gerätes aus und bestellen Sie einfach online. Viele Mastercut Ersatzteile halten wir ständig in unserem Lager für Sie bereit.


Qualitätsmanagement
Informieren Sie uns, wenn Sie einen Fehler gefunden haben.













