Mastercut E 380 18C-S0J-659 (2010) Kondensator Ersatzteile
Kondensator 18C-S0J-659 (2010)

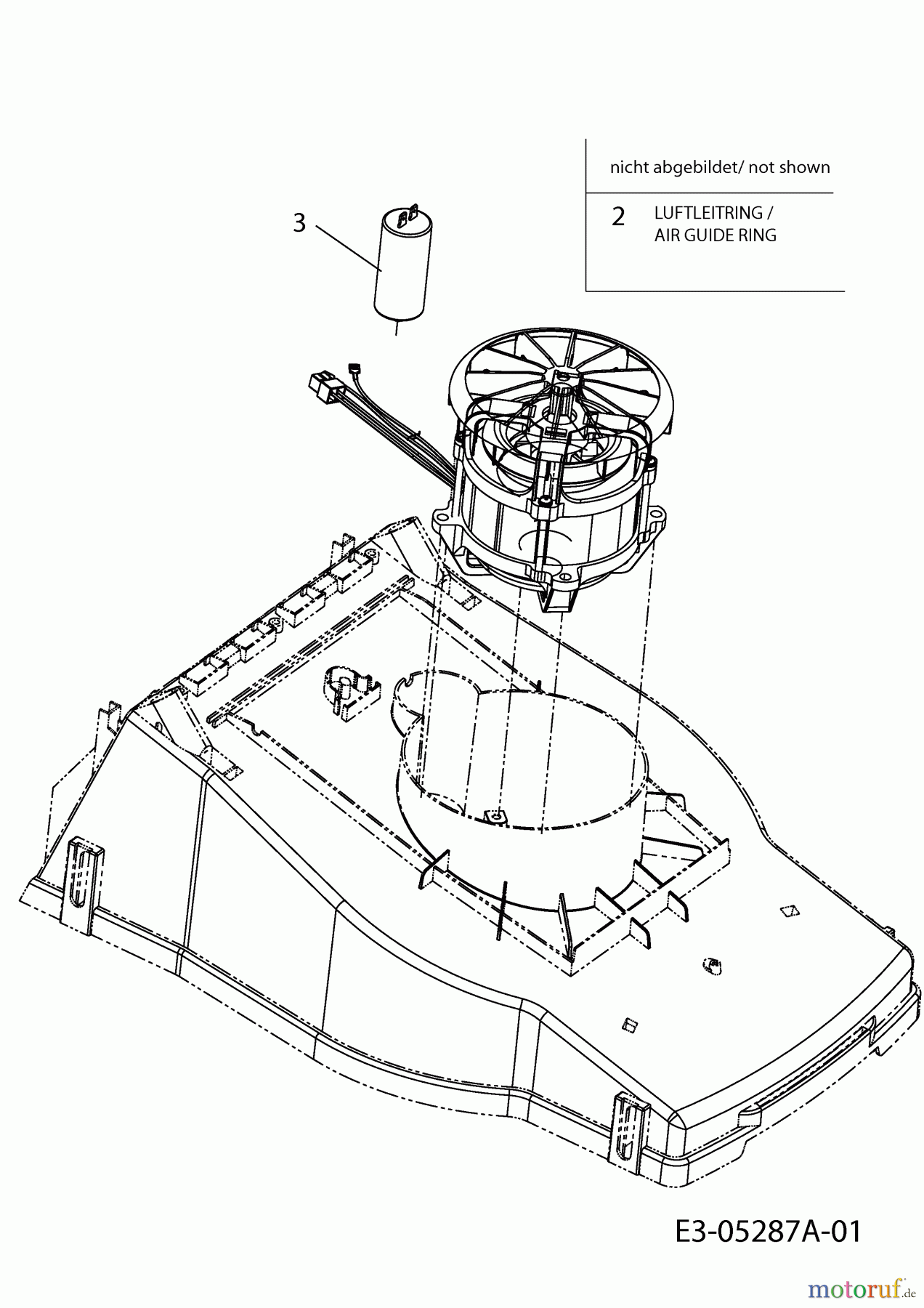
Hier finden Sie die Ersatzteilzeichnung für Mastercut Elektromäher E 380 18C-S0J-659 (2010) Kondensator. Wählen Sie das benötigte Ersatzteil aus der Ersatzteilliste Ihres Mastercut Gerätes aus und bestellen Sie einfach online. Viele Mastercut Ersatzteile halten wir ständig in unserem Lager für Sie bereit.
| BildNr | Artikel Nummer | Bezeichnung | |
| 2 | FV51-19-2514 | LUFTLEITRING | |
| 3 | FV-A02017 | KONDENSATOR 16 óF | |


Qualitätsmanagement
Informieren Sie uns, wenn Sie einen Fehler gefunden haben.

