Floraself 3746 BLRE 04033.07 (1996) Ersatzteile
04033.07 (1996) 3746 BLRE

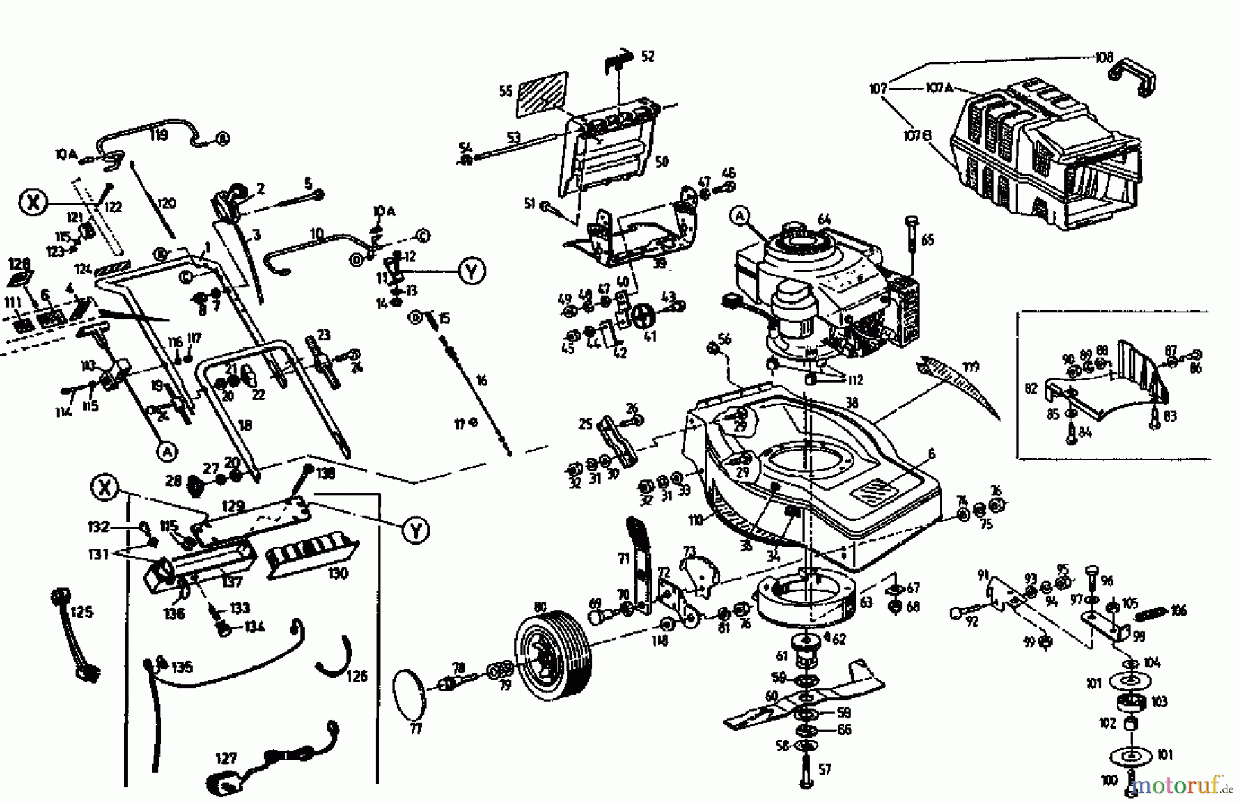
Hier finden Sie die Ersatzteilzeichnung für Floraself Motormäher mit Antrieb 3746 BLRE 04033.07 (1996) Grundgerät. Wählen Sie das benötigte Ersatzteil aus der Ersatzteilliste Ihres Floraself Gerätes aus und bestellen Sie einfach online. Viele Floraself Ersatzteile halten wir ständig in unserem Lager für Sie bereit.


Qualitätsmanagement
Informieren Sie uns, wenn Sie einen Fehler gefunden haben.



