Floraself 3546 BL 04060.02 (1996) Ersatzteile
04060.02 (1996) 3546 BL

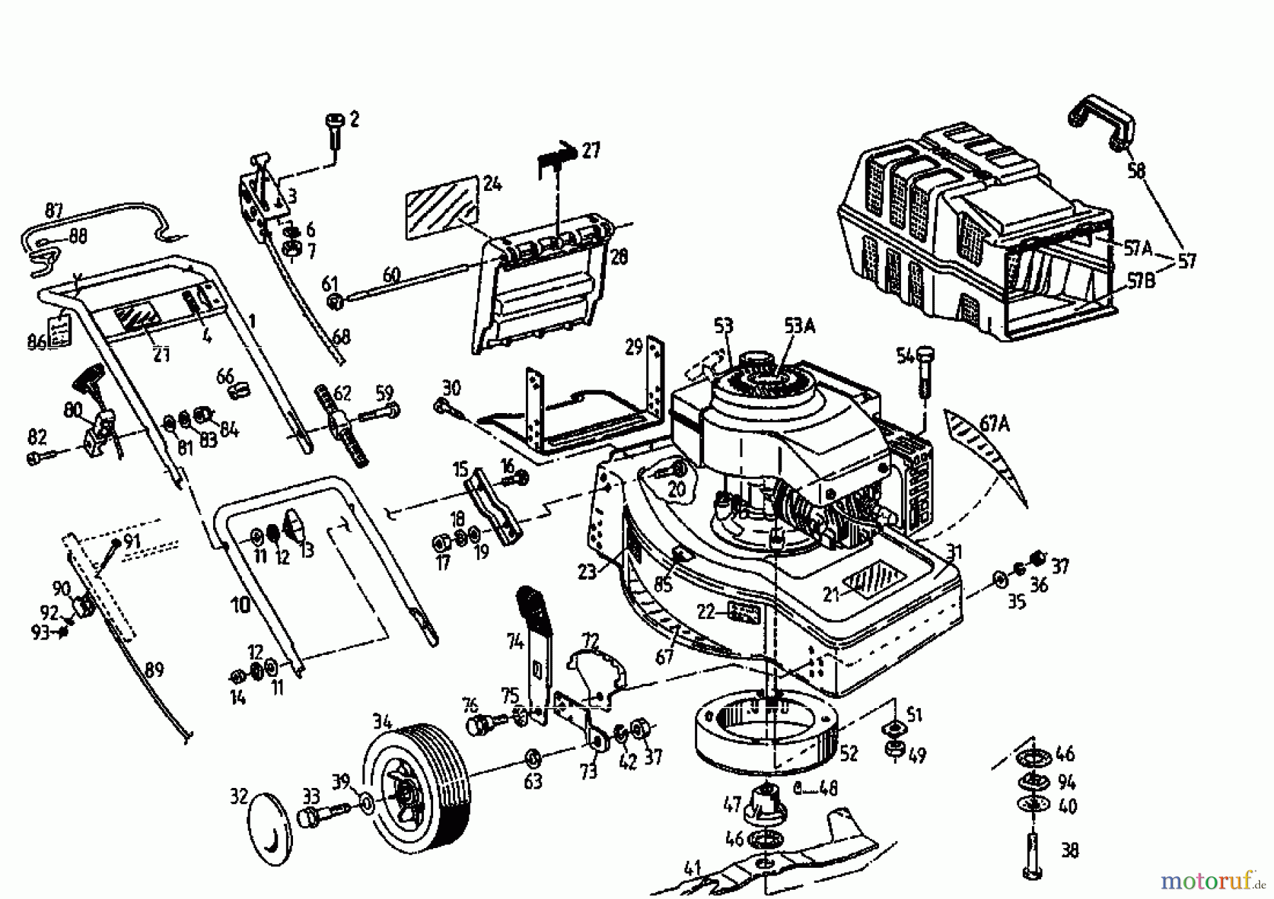
Hier finden Sie die Ersatzteilzeichnung für Floraself Motormäher 3546 BL 04060.02 (1996) Grundgerät. Wählen Sie das benötigte Ersatzteil aus der Ersatzteilliste Ihres Floraself Gerätes aus und bestellen Sie einfach online. Viele Floraself Ersatzteile halten wir ständig in unserem Lager für Sie bereit.


Qualitätsmanagement
Informieren Sie uns, wenn Sie einen Fehler gefunden haben.


