Einkaufswagen
Mein Konto

Floraself 1345 E 02824.05 (1995) Ersatzteile

02824.05 (1995) 1345 E

 Floraself Elektromäher 1345 E 02824.05  (1995) Grundgerät

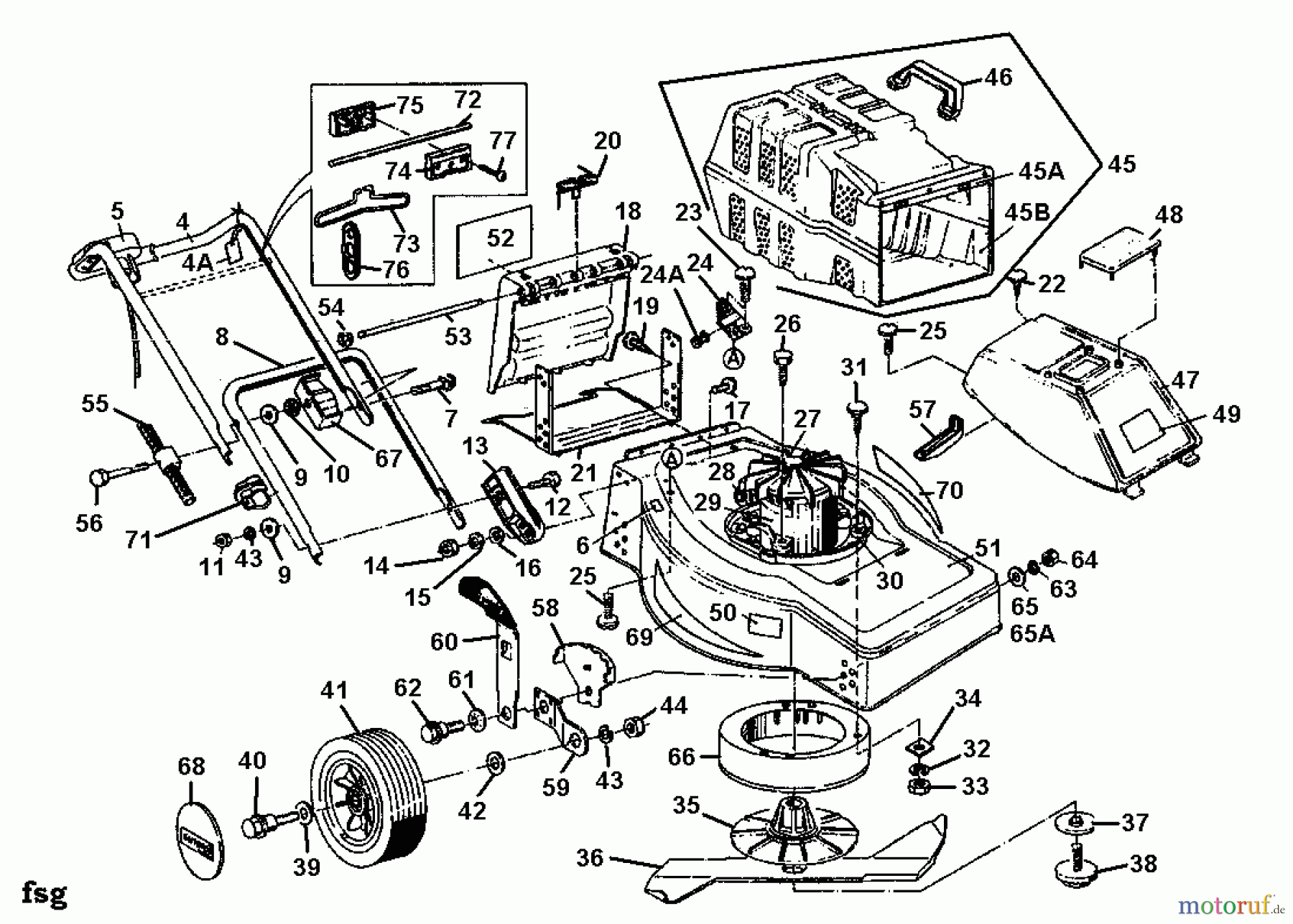
Hier finden Sie die Ersatzteilzeichnung für Floraself Elektromäher 1345 E 02824.05 (1995) Grundgerät. Wählen Sie das benötigte Ersatzteil aus der Ersatzteilliste Ihres Floraself Gerätes aus und bestellen Sie einfach online. Viele Floraself Ersatzteile halten wir ständig in unserem Lager für Sie bereit.

BildNrArtikel NummerBezeichnung
1 21.6421.76ZYLINDER-SCHR.M.SCHLITZ DIN 84
2 079.06.416ZUGENTLASTUNGSSCHELLE FÜR
3 24.3423.14HUTMUTTER:M6 5S DIN 1587
4 079.06.478OBERHOLM GEBOGEN UND GELOCHT
4A 000.51.821ANHAENGER
5 079.39.829SCHALTER-STECKER-KOMBINATION
6 000.49.641AUFKLEBER 92DB(A)
7 22.3419.32FLACHRUNDSCHRAUBE DIN 603
8 079.06.477UNTERHOLM GRUEN RAL 6005
9 24.6481.18SCHEIBE DIN 125
10 24.8191.18FAECHERSCHEIBE DIN 6798
11 24.1421.18SECHSKANTMUTTER DIN 934
12 21.1441.71SKT-SCHRAUBE ANSDIN 933
13 079.05.197HOLMBRAKETTE
14 24.1421.18SECHSKANTMUTTER DIN 934
15 28.7111.05TELLERFEDER gelb verzDIN 2093
16 24.6481.18SCHEIBE DIN 125
17 22.3419.24FLACHRD-SCHR.M 4KT-ANSDIN 603
18 079.26.876HECKKLAPPE VOLLST. RAL 9005
19 000.02.493Sternantrieb-SCHRAUBE M6x20 WN 1452
20 000.31.182FEDER VERZINKT
21 079.25.729HECKBUEGEL VOLLST.
22 22.6417.89LINSEN-BLECHSCHRAUBE DIN 7981
23 000.02.370PLASTITE-SCHRAUBE
24 001.10.129ZUGENTLASTUNGSSCHELLE
24A 079.11.244KABELDURCHFUEHRUNG
25 000.02.371PLASTITE-SCHRAUBE
26 000.02.495Sternantrieb-SCHRAUBE M7x30 GELB VERZ.
27 079.13.003LUEFTERRAD (GROß)
28 079.13.012BETRIEBSKONDENSATOR 450V 12uF
29 079.13.603E-MOTOR VOLLST. 230V 1300W
30 079.26.190EINSATZTOPF SCHWARZ
31 22.3419.26FLACHRD-SCHR.M 4KT-ANSDIN 603
32 24.8195.18FEDERRING DIN 127
33 24.1421.18SECHSKANTMUTTER DIN 934
34 079.26.406UNTERLAGE
35 079.77.906MESSERNABE KPL.
36 Floraself MESSER   44CM              *S*079.77.384MESSER 44CM *S*
37 079.77.110SICHERUNGSBLECH
38 079.77.855SCHRAUBE VOLLST.
39 24.6273.37PASS UND STUETZSCHEIBEDIN 988
40 079.29.166RADBOLZEN:M8:53+1 LG 5.8
41 079.30.989RAD KPL. D=180
42 24.6487.20SCHEIBE DIN 7349-ST
43 24.8195.56SPERRKANTRING AEHNL. DIN 127
44 24.1421.18SECHSKANTMUTTER DIN 934
45 079.80.704GRASFANGKORB VOLLST.
45A 079.80.330GRASFANGKORBHAELFTE
45B 079.80.327KORBHÄLFTE GRÜN RAL 6005
46 079.80.364GRIFF
47 079.24.198ABDECKHAUBE E-TEIL-SET
48 079.24.204DECKEL
49 000.51.820KLEBESCHILD FLORASELF
50 000.51.858ERSATZTYPENSCHILD 1345 E
51 079.27.972RASENMAEHERDECK KPL.
52 000.50.303HINWEISSCHILD "ACHTUNG"
53 079.26.027STANGE VERZINKT
54 28.3595.54SICHERUNGSSCHEIBE DIN 6799
55 079.05.304BIEGESCHUTZ:SCHWARZ RAL 9005
56 21.1443.79SECHSKANTSCHRAUBE DIN 931
57 079.26.420ANSCHLAGWINKEL
58 079.30.313VERSTELLPLATTE - 5 FACH -
59 079.29.295VERSTELLARM VERZINKT
60 079.29.735HÖHENVERSTELLHEBEL VOLLST.
61 28.7111.50TELLERFEDER verz. DIN 2093
62 079.29.178SCHRAUBE VERZINKT
63 24.8195.18FEDERRING DIN 127
64 24.1421.18SECHSKANTMUTTER DIN 934
65 24.6486.18SCHEIBE DIN 9021-St
65A 24.6481.18SCHEIBE DIN 125
66 Floraself WINDKANALRING079.25.260WINDKANALRING
67 090.26.829FLUEGELMUTTER SCHWARZ RAL9005
68 079.30.301RADKAPPE:NEUTRAL:RAD Ò180 -LT-
69 000.51.817KLEBESCHILD RECHTS
70 000.51.818KLEBESCHILD LINKS
71 000.13.064KABELSCHELLE:SCHWARZ RAL 9005
72 079.06.278FUEHRUNGSSTANGE
73 079.05.533FUEHRUNGSBUEGEL VERZINKT
74 079.05.531GLEITSTUECK RECHTS: SCHWARZ
75 079.05.532GLEITSTUECK LINKS:SCHWARZ 9005
76 079.06.417KABELHALTERUNG
77 000.02.370PLASTITE-SCHRAUBE
Rasen
Bankeinzug, MasterCard, Visa, American Express, PayPal, Nachnahme, Vorauskasse, Sofortüberweisung
Qualitätsmanagement
Informieren Sie uns, wenn Sie einen Fehler gefunden haben.