Floraself 1140 E 04052.05 (1996) Ersatzteile
04052.05 (1996) 1140 E

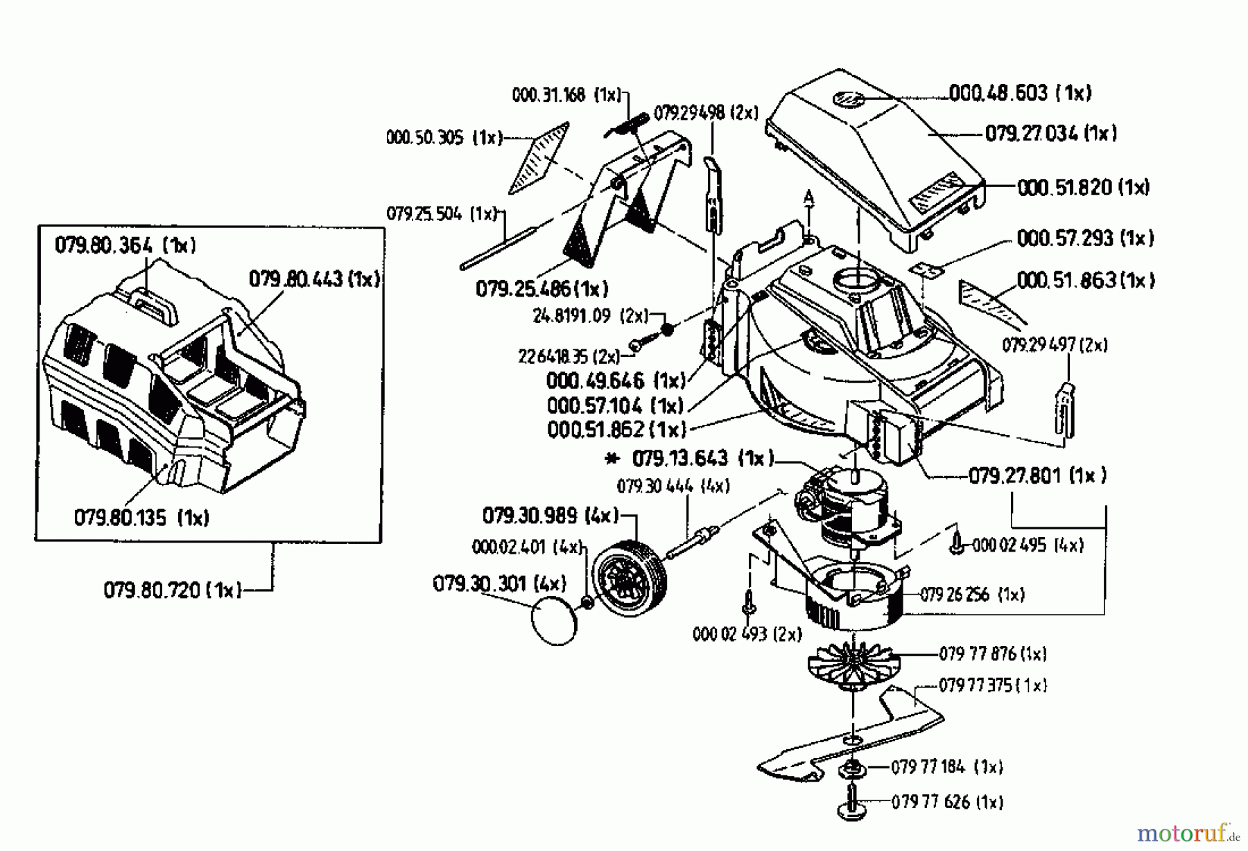
Hier finden Sie die Ersatzteilzeichnung für Floraself Elektromäher 1140 E 04052.05 (1996) Grundgerät. Wählen Sie das benötigte Ersatzteil aus der Ersatzteilliste Ihres Floraself Gerätes aus und bestellen Sie einfach online. Viele Floraself Ersatzteile halten wir ständig in unserem Lager für Sie bereit.





