Fleurelle AMH 1151 13AB453C619 (1999) Lenkung, Räder vorne, Vorderachse Ersatzteile
Lenkung, Räder vorne, Vorderachse 13AB453C619 (1999)

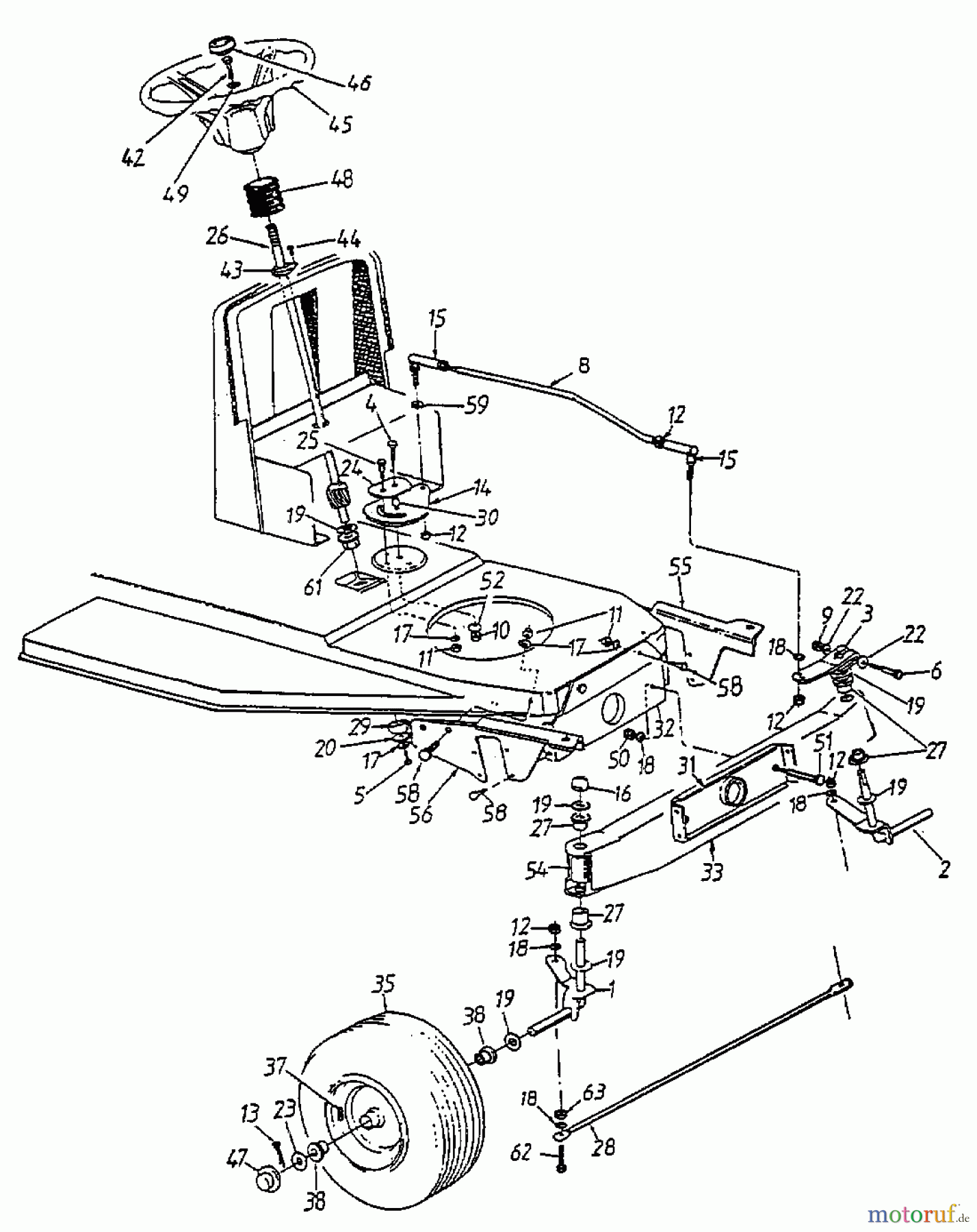
Hier finden Sie die Ersatzteilzeichnung für Fleurelle Rasentraktoren AMH 1151 13AB453C619 (1999) Lenkung, Räder vorne, Vorderachse. Wählen Sie das benötigte Ersatzteil aus der Ersatzteilliste Ihres Fleurelle Gerätes aus und bestellen Sie einfach online. Viele Fleurelle Ersatzteile halten wir ständig in unserem Lager für Sie bereit.



































