Fleurelle AM 1201 13BH663G619 (2001) Fahrantrieb, Motorkeilriemenscheibe, Pedal Ersatzteile
Fahrantrieb, Motorkeilriemenscheibe, Pedal 13BH663G619 (2001)

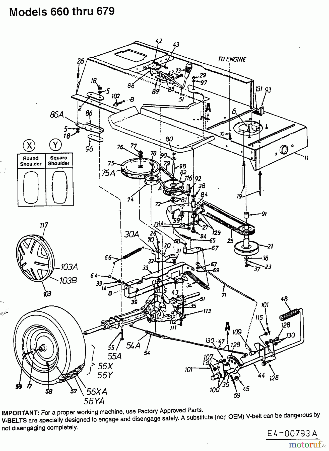
Hier finden Sie die Ersatzteilzeichnung für Fleurelle Rasentraktoren AM 1201 13BH663G619 (2001) Fahrantrieb, Motorkeilriemenscheibe, Pedal. Wählen Sie das benötigte Ersatzteil aus der Ersatzteilliste Ihres Fleurelle Gerätes aus und bestellen Sie einfach online. Viele Fleurelle Ersatzteile halten wir ständig in unserem Lager für Sie bereit.



















































