Fleurelle B 461 11C-661A619 (2003) Ersatzteile
11C-661A619 (2003) B 461

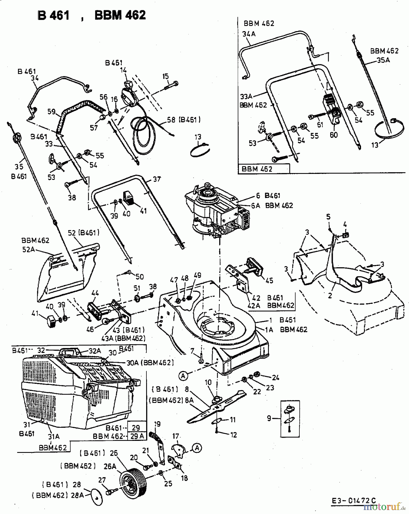
Hier finden Sie die Ersatzteilzeichnung für Fleurelle Motormäher B 461 11C-661A619 (2003) Grundgerät. Wählen Sie das benötigte Ersatzteil aus der Ersatzteilliste Ihres Fleurelle Gerätes aus und bestellen Sie einfach online. Viele Fleurelle Ersatzteile halten wir ständig in unserem Lager für Sie bereit.


Qualitätsmanagement
Informieren Sie uns, wenn Sie einen Fehler gefunden haben.




















