Fair Line BA 450 04025.05 (1995) Ersatzteile
04025.05 (1995) BA 450

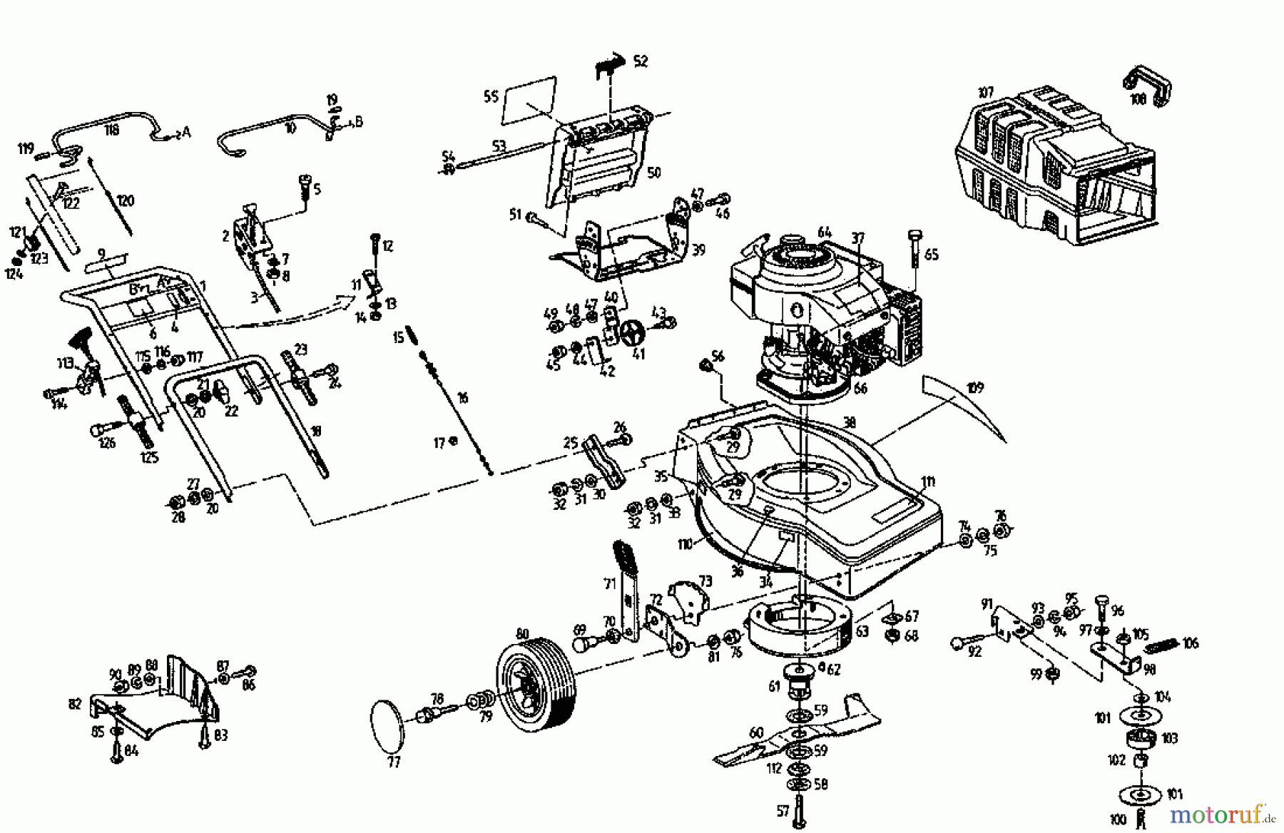
Hier finden Sie die Ersatzteilzeichnung für Fair Line Motormäher mit Antrieb BA 450 04025.05 (1995) Grundgerät. Wählen Sie das benötigte Ersatzteil aus der Ersatzteilliste Ihres Fair Line Gerätes aus und bestellen Sie einfach online. Viele Fair Line Ersatzteile halten wir ständig in unserem Lager für Sie bereit.


Qualitätsmanagement
Informieren Sie uns, wenn Sie einen Fehler gefunden haben.

