Fair Line B 450 04026.02 (1994) Ersatzteile
04026.02 (1994) B 450

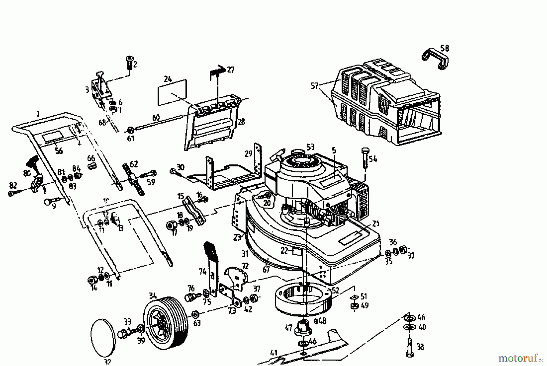
Hier finden Sie die Ersatzteilzeichnung für Fair Line Motormäher B 450 04026.02 (1994) Grundgerät. Wählen Sie das benötigte Ersatzteil aus der Ersatzteilliste Ihres Fair Line Gerätes aus und bestellen Sie einfach online. Viele Fair Line Ersatzteile halten wir ständig in unserem Lager für Sie bereit.


Qualitätsmanagement
Informieren Sie uns, wenn Sie einen Fehler gefunden haben.



