Einkaufswagen
Mein Konto

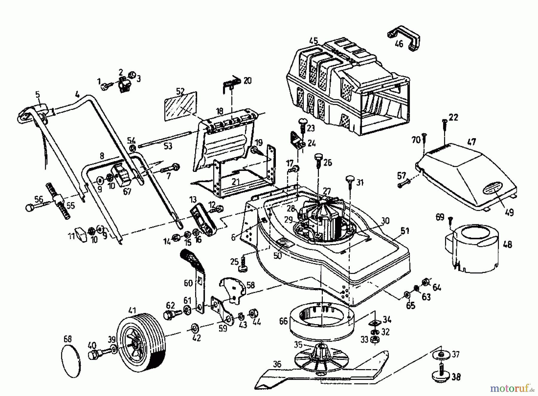
Euro Tool 450 04044.01 (1996) Ersatzteile

04044.01 (1996) 450

 Euro Tool Elektromäher 450 04044.01  (1996) Grundgerät

Hier finden Sie die Ersatzteilzeichnung für Euro Tool Elektromäher 450 04044.01 (1996) Grundgerät. Wählen Sie das benötigte Ersatzteil aus der Ersatzteilliste Ihres Euro Tool Gerätes aus und bestellen Sie einfach online. Viele Euro Tool Ersatzteile halten wir ständig in unserem Lager für Sie bereit.

BildNrArtikel NummerBezeichnung
1 21.6421.76ZYLINDER-SCHR.M.SCHLITZ DIN 84
2 079.06.416ZUGENTLASTUNGSSCHELLE FÜR
3 24.3423.14HUTMUTTER:M6 5S DIN 1587
4 079.06.406OBERHOLM
5 079.39.883SCHALTER-STECKER-KOMBINATION
6 000.49.641AUFKLEBER 92DB(A)
7 22.3419.32FLACHRUNDSCHRAUBE DIN 603
8 079.06.311UNTERHOLM SCHWARZ RAL 9005
9 24.6481.18SCHEIBE DIN 125
10 24.8191.18FAECHERSCHEIBE DIN 6798
11 000.02.377FLUEGELMUTTER:M8 SCHWARZ
12 21.1441.75SECHSKANTSCHRAUBE DIN 933
13 079.05.197HOLMBRAKETTE
14 24.1421.18SECHSKANTMUTTER DIN 934
15 28.7111.05TELLERFEDER gelb verzDIN 2093
16 24.6481.18SCHEIBE DIN 125
17 22.3419.24FLACHRD-SCHR.M 4KT-ANSDIN 603
18 079.26.961HECKKLAPPE KPL.
19 000.02.493Sternantrieb-SCHRAUBE M6x20 WN 1452
20 000.31.182FEDER VERZINKT
21 079.25.728HECKBUEGEL VOLLST.
22 22.6417.90LINSEN-BLECHSCHRAUBE DIN 7981
23 000.02.370PLASTITE-SCHRAUBE
24 001.10.129ZUGENTLASTUNGSSCHELLE
25 000.02.371PLASTITE-SCHRAUBE
26 000.02.495Sternantrieb-SCHRAUBE M7x30 GELB VERZ.
27 079.13.003LUEFTERRAD (GROß)
28 079.13.012BETRIEBSKONDENSATOR 450V 12uF
29 079.13.603E-MOTOR VOLLST. 230V 1300W
30 079.26.596EINSATZTOPF
31 22.3419.26FLACHRD-SCHR.M 4KT-ANSDIN 603
32 24.8195.18FEDERRING DIN 127
33 24.1421.18SECHSKANTMUTTER DIN 934
34 079.26.406UNTERLAGE
35 079.77.906MESSERNABE KPL.
36 Euro Tool MESSER   44CM              *S*079.77.384MESSER 44CM *S*
37 079.77.110SICHERUNGSBLECH
38 079.77.855SCHRAUBE VOLLST.
39 24.6273.37PASS UND STUETZSCHEIBEDIN 988
40 079.29.166RADBOLZEN:M8:53+1 LG 5.8
41 079.30.857RAD KPL. Ò 180mm
42 24.6487.20SCHEIBE DIN 7349-ST
43 24.8195.18FEDERRING DIN 127
44 24.1421.18SECHSKANTMUTTER DIN 934
45 079.80.987GRASFANGKORB KPL. E-T-SET
46 079.80.084GRIFF SCHWARZ RAL 9005
47 079.26.575ABDECKHAUBE
48 079.27.054LUFTFUEHRUNG
49 000.51.953NAMENSSCHILD EURO-TOOL 450
50 000.51.957ERSATZTYPENSCHILD EURO TOOL450
51 079.27.966RASENMAEHERDECK KPL.
52 000.51.966KLEBESCHILD "WARNHINWEISE"
53 079.26.027STANGE VERZINKT
54 28.3595.54SICHERUNGSSCHEIBE DIN 6799
55 079.05.304BIEGESCHUTZ:SCHWARZ RAL 9005
56 21.1443.79SECHSKANTSCHRAUBE DIN 931
57 079.11.412KABELDURCHFUEHRUNG
58 079.30.313VERSTELLPLATTE - 5 FACH -
59 079.29.295VERSTELLARM VERZINKT
60 079.29.735HÖHENVERSTELLHEBEL VOLLST.
61 28.7111.50TELLERFEDER verz. DIN 2093
62 079.29.178SCHRAUBE VERZINKT
63 24.8195.18FEDERRING DIN 127
64 24.1421.18SECHSKANTMUTTER DIN 934
65 24.6486.18SCHEIBE DIN 9021-St
66 Euro Tool WINDKANALRING079.25.260WINDKANALRING
67 000.02.462FLUEGELMUTTER SCHWARZ RAL 9005
68 079.30.302RADKAPPE:NEUTRAL:RAD Ø180
69 000.02.483PLASTITE-SCHRAUBE
70 000.02.476PLASTITE-SCHRAUBE verz.
Rasen
Bankeinzug, MasterCard, Visa, American Express, PayPal, Nachnahme, Vorauskasse, Sofortüberweisung
Qualitätsmanagement
Informieren Sie uns, wenn Sie einen Fehler gefunden haben.