Euro Tool 450 04044.01 (1995) Ersatzteile
04044.01 (1995) 450

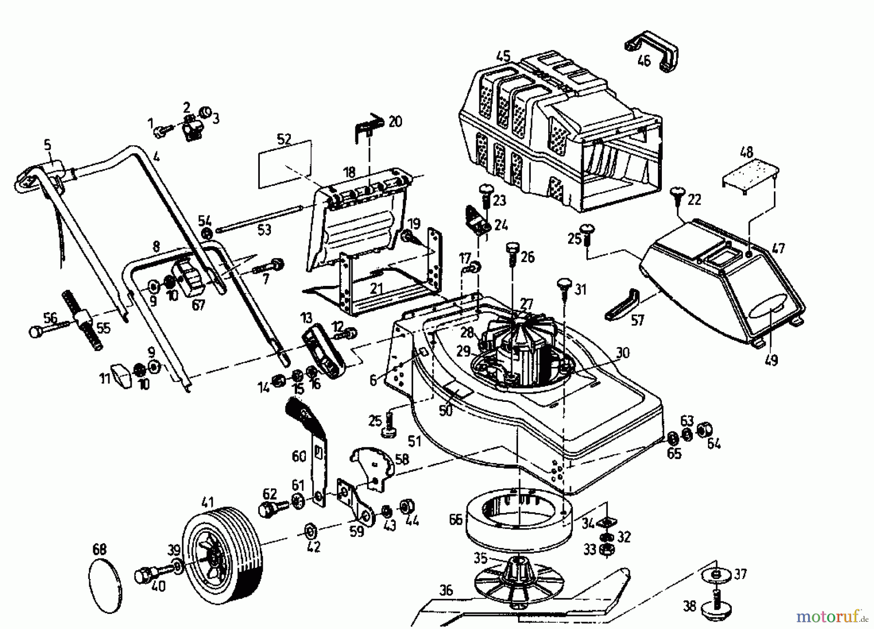
Hier finden Sie die Ersatzteilzeichnung für Euro Tool Elektromäher 450 04044.01 (1995) Grundgerät. Wählen Sie das benötigte Ersatzteil aus der Ersatzteilliste Ihres Euro Tool Gerätes aus und bestellen Sie einfach online. Viele Euro Tool Ersatzteile halten wir ständig in unserem Lager für Sie bereit.





