Einstellungen Computer

Euro Tool 320 04043.02 (1996) Ersatzteile

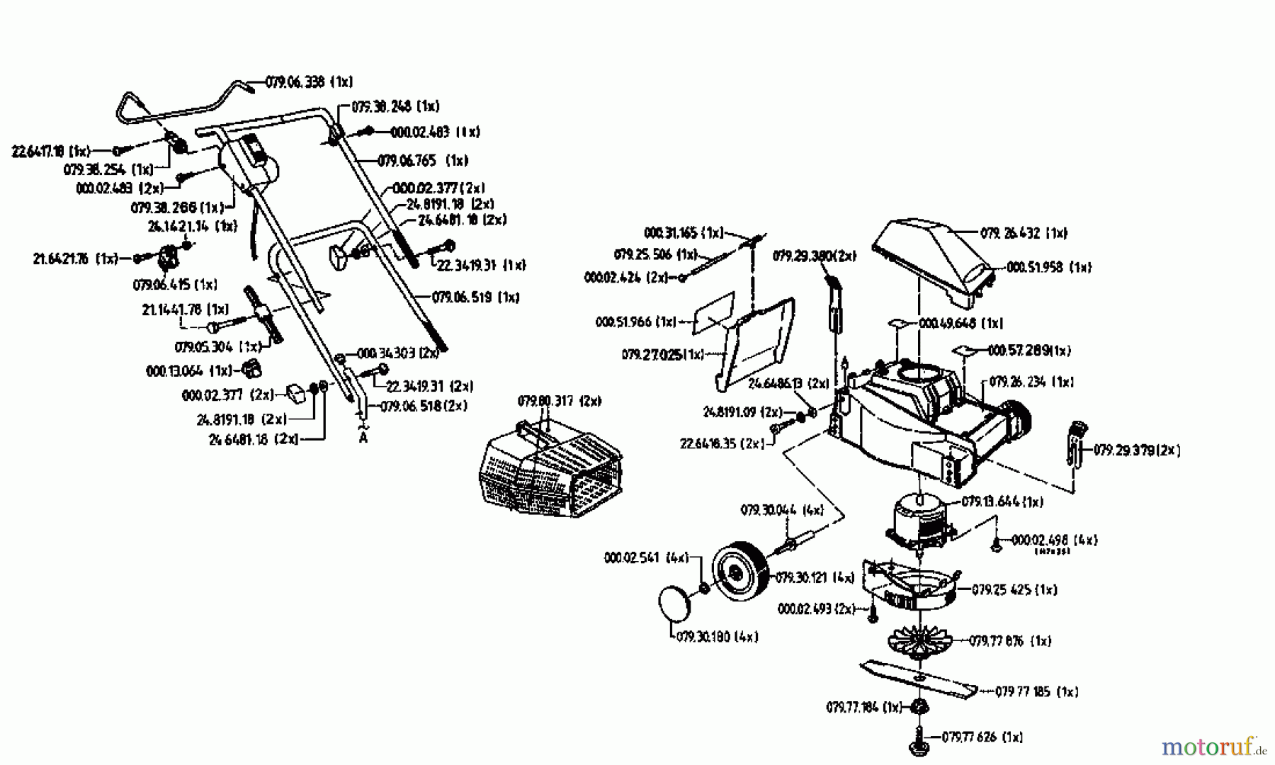
04043.02 (1996) 320

 Euro Tool Elektromäher 320 04043.02  (1996) Grundgerät

Hier finden Sie die Ersatzteilzeichnung für Euro Tool Elektromäher 320 04043.02 (1996) Grundgerät. Wählen Sie das benötigte Ersatzteil aus der Ersatzteilliste Ihres Euro Tool Gerätes aus und bestellen Sie einfach online. Viele Euro Tool Ersatzteile halten wir ständig in unserem Lager für Sie bereit.

BildNrArtikel NummerBezeichnung
000. 000.31.165SCHENKELFEDER
079. 079.25.506STANGE VERZINKT
000. 000.13.064KABELSCHELLE:SCHWARZ RAL 9005
079. 079.05.304BIEGESCHUTZ:SCHWARZ RAL 9005
000. 000.02.424SCHNELLBEFESTIGER MIT KAPPE
079. 079.26.432ABDECKHAUBE - FULL -
000. 000.51.958KLEBESCHILD "EURO TOOL"
24.6 24.6486.13SCHEIBE DIN 9021-ST
079. 079.27.025HECKKLAPPE
079. 079.29.380VERSTELLHEBEL HINTEN
21.1 21.1441.78SECHSKANTSCHRAUBE DIN 933
22.3 22.3419.31FLACHRD-SCHR.M 4KT-ANSDIN 603
079. 079.06.519UNTERHOLM
079. 079.06.765ERGO-OBERHOLM VOLLST.
079. 079.06.338BUEGEL RAL 9005 SCHWARZ
079. 079.38.248GEGENLAGER/SCHELLE
000. 000.34.303VERSCHLUSSTOPFEN GL 18
24.1 24.1421.14SECHSKANTMUTTER DIN 934
079. 079.06.415ZUGENTLASTUNGSSCHELLE FÜR
079. 079.38.266BÜGEL-SSK -A-
22.6 22.6417.18LINSEN-BLECHSCHRAUBE DIN 7981
079. 079.38.254LAGER ZU SSK
000. 000.49.648AUFKLEBER 83 DB (A)
079. 079.30.044RADBOLZEN VERZINKT
000. 000.02.541ACHSEN-KLEMMRING BRUENIERT
24.8 24.8191.09FAECHERSCHEIBE A4,3 DIN 6798
22.6 22.6418.35LINSEN-BLECHSCHRAUBE DIN 7981
079. 079.25.425ABDECKUNG SCHWARZ RAL 9005
079. 079.13.644E-MOTOR 230V 900W
079. 079.30.121RAD Ò=140 SCHWARZ RAL 9005
079. 079.30.180RADKAPPE NEUTRAL
000. 000.02.498Sternantrieb-SCHRAUBE
079. Euro Tool MESSERNABE VOLLST.    PC/PP079.77.876MESSERNABE VOLLST. PC/PP
079. 079.29.379VERSTELLHEBEL VORNE
079. 079.80.317KORBHÄLFTE -A-
000. 000.57.289ERSATZTYPENSCHILD EURO-TOOL320
079. 079.26.234RASENMAEHERDECK ROT RAL 3000
079. 079.06.518HOLMROHR
079. Euro Tool MESSERSCHRAUBE VOLLST.079.77.626MESSERSCHRAUBE VOLLST.
079. 079.77.185MESSER 32cm -A-
079. 079.77.184SICHERUNGSSCHEIBE
22.3 22.3419.32FLACHRUNDSCHRAUBE DIN 603
21.6 21.6421.76ZYLINDER-SCHR.M.SCHLITZ DIN 84
24.6 24.6481.18SCHEIBE DIN 125
24.8 24.8191.18FAECHERSCHEIBE DIN 6798
000. 000.02.377FLUEGELMUTTER:M8 SCHWARZ
000. 000.02.493Sternantrieb-SCHRAUBE M6x20 WN 1452
000. 000.51.966KLEBESCHILD "WARNHINWEISE"
000. 000.02.483PLASTITE-SCHRAUBE
Rasen
Bankeinzug, MasterCard, Visa, American Express, PayPal, Nachnahme, Vorauskasse, Sofortüberweisung
Datenschutzerklärung Impressum
Qualitätsmanagement
Informieren Sie uns, wenn Sie einen Fehler gefunden haben.