Variolux V-RTH 155/92 T 13AM77TE620 (2008) Motorhaube T-Style Ersatzteile
Motorhaube T-Style 13AM77TE620 (2008)

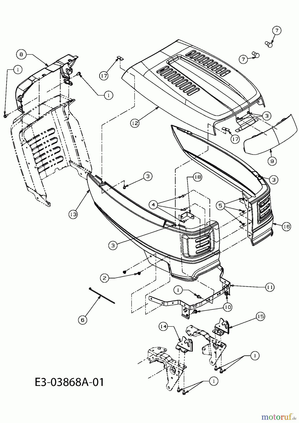
Hier finden Sie die Ersatzteilzeichnung für Variolux Rasentraktoren V-RTH 155/92 T 13AM77TE620 (2008) Motorhaube T-Style. Wählen Sie das benötigte Ersatzteil aus der Ersatzteilliste Ihres Variolux Gerätes aus und bestellen Sie einfach online. Viele Variolux Ersatzteile halten wir ständig in unserem Lager für Sie bereit.


Qualitätsmanagement
Informieren Sie uns, wenn Sie einen Fehler gefunden haben.





