Cub Cadet Tank S 53AY8DU6603 (2010) Rahmen bis 24.09.2009 Ersatzteile
Rahmen bis 24.09.2009 53AY8DU6603 (2010)

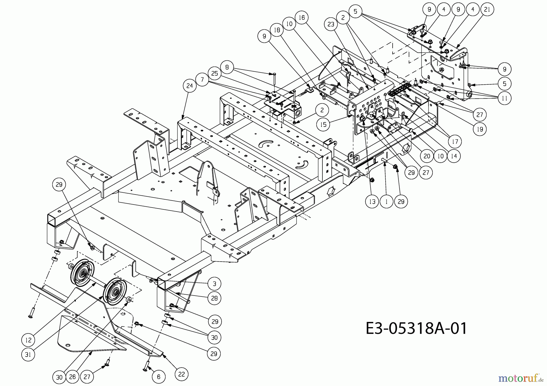
Hier finden Sie die Ersatzteilzeichnung für Cub Cadet Zero Turn Tank S 53AY8DU6603 (2010) Rahmen bis 24.09.2009. Wählen Sie das benötigte Ersatzteil aus der Ersatzteilliste Ihres Cub Cadet Gerätes aus und bestellen Sie einfach online. Viele Cub Cadet Ersatzteile halten wir ständig in unserem Lager für Sie bereit.


Qualitätsmanagement
Informieren Sie uns, wenn Sie einen Fehler gefunden haben.



