Cub Cadet Tank S 53AY8DU6603 (2010) Elektroteile bis 18.11.2009 Ersatzteile
Elektroteile bis 18.11.2009 53AY8DU6603 (2010)

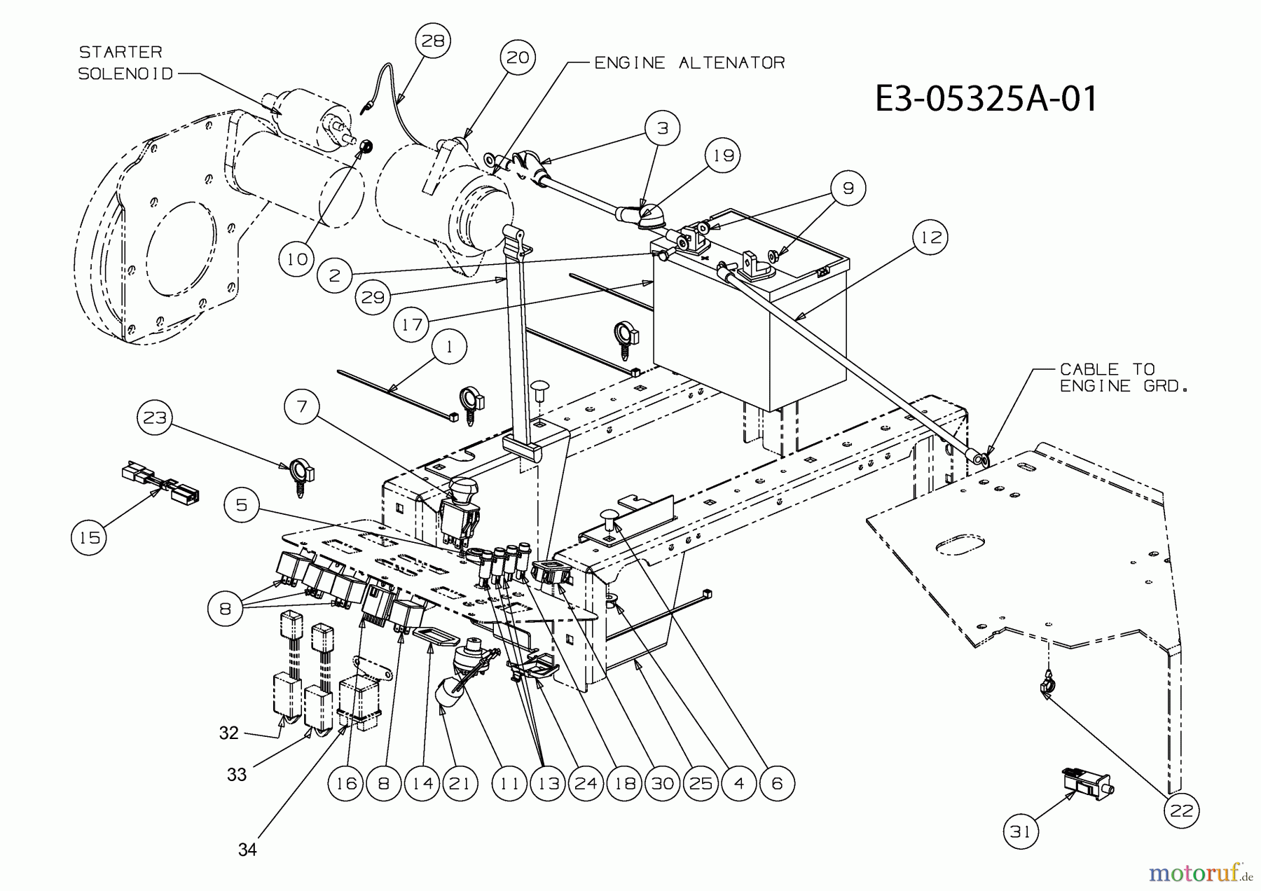
Hier finden Sie die Ersatzteilzeichnung für Cub Cadet Zero Turn Tank S 53AY8DU6603 (2010) Elektroteile bis 18.11.2009. Wählen Sie das benötigte Ersatzteil aus der Ersatzteilliste Ihres Cub Cadet Gerätes aus und bestellen Sie einfach online. Viele Cub Cadet Ersatzteile halten wir ständig in unserem Lager für Sie bereit.





