Cub Cadet FMZ 48 17BI4BFY603 (2010) Lenksäule, Trittbrett Ersatzteile
Lenksäule, Trittbrett 17BI4BFY603 (2010)

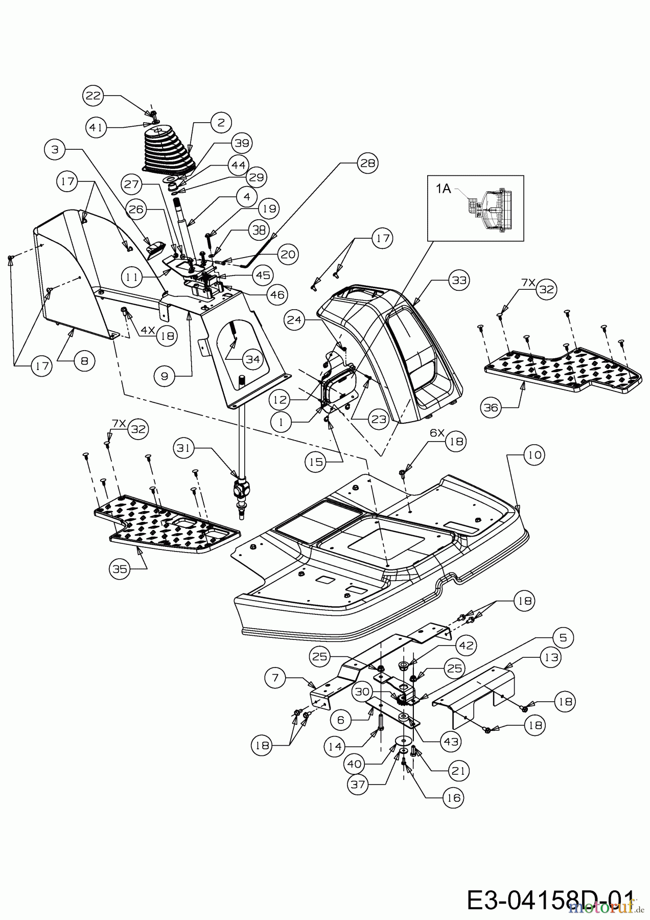
Hier finden Sie die Ersatzteilzeichnung für Cub Cadet Zero Turn FMZ 48 17BI4BFY603 (2010) Lenksäule, Trittbrett. Wählen Sie das benötigte Ersatzteil aus der Ersatzteilliste Ihres Cub Cadet Gerätes aus und bestellen Sie einfach online. Viele Cub Cadet Ersatzteile halten wir ständig in unserem Lager für Sie bereit.














