Cub Cadet FMZ 48 17BI4BFY603 (2010) Mähwerk Y (48"/122cm) Ersatzteile
Mähwerk Y (48"/122cm) 17BI4BFY603 (2010)

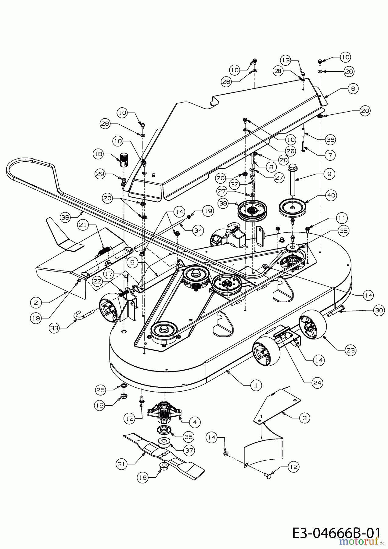
Hier finden Sie die Ersatzteilzeichnung für Cub Cadet Zero Turn FMZ 48 17BI4BFY603 (2010) Mähwerk Y (48"/122cm). Wählen Sie das benötigte Ersatzteil aus der Ersatzteilliste Ihres Cub Cadet Gerätes aus und bestellen Sie einfach online. Viele Cub Cadet Ersatzteile halten wir ständig in unserem Lager für Sie bereit.
Häufig benötigte Cub Cadet FMZ 48 17BI4BFY603 (2010) Mähwerk Y (48"/122cm) Ersatzteile

Artikelnummer: 710-0347
Suche nach: 710-0347
Hersteller: MTD
Cub Cadet Ersatzteil Mähwerk Y (48"/122cm)
Suche nach: 710-0347
Hersteller: MTD
Cub Cadet Ersatzteil Mähwerk Y (48"/122cm)
3.75 €
für EU incl. MwSt., zzgl. Versand






















