Cub Cadet Z-Force 44 53AA5A5L100 (2004) Fahrantrieb Ersatzteile
Fahrantrieb 53AA5A5L100 (2004)

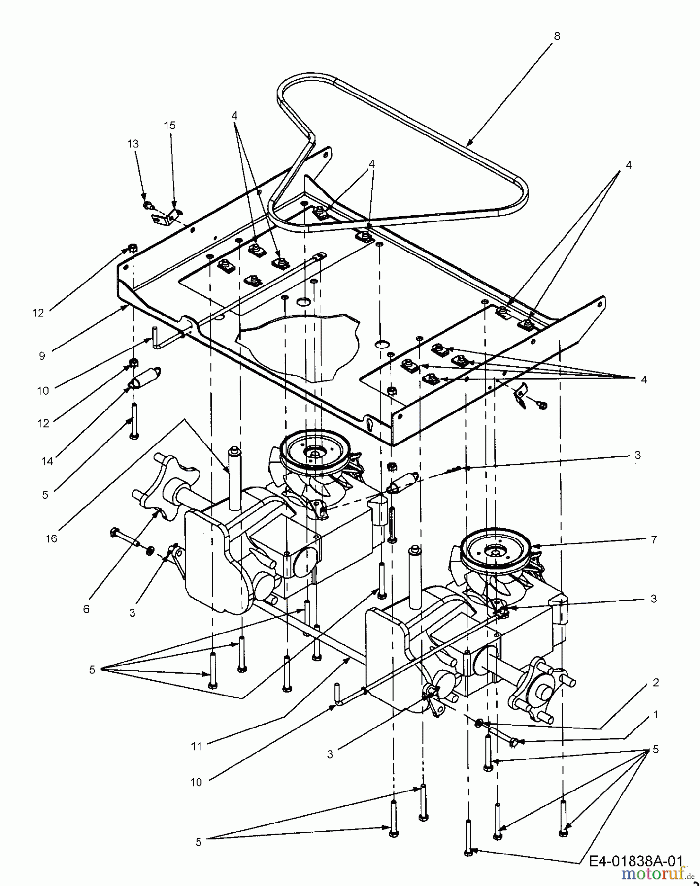
Hier finden Sie die Ersatzteilzeichnung für Cub Cadet Zero Turn Z-Force 44 53AA5A5L100 (2004) Fahrantrieb. Wählen Sie das benötigte Ersatzteil aus der Ersatzteilliste Ihres Cub Cadet Gerätes aus und bestellen Sie einfach online. Viele Cub Cadet Ersatzteile halten wir ständig in unserem Lager für Sie bereit.
| BildNr | Artikel Nummer | Bezeichnung | |
| 1 | 00013198 | ||
| 2 | 00012169 | UNTERLAGSCHEIBE .344X.688X.063 | |
| 3 | 01002771 | ||
| 4 | 01003563 | U-MUTTER 5/16-18 | |
| 5 | 01007122 | ||
| 6 | 01008192 | GETRIEBE KPL. | |
| 7 | 01008193 | ||
| 8 | 01008349 | KEILRIEMEN HYDROSTART | |
| 9 | 01008461 | ||
| 10 | 01008380 | ||
| 11 | 01008414 | ÜBERTRAGUNGSROHR | |
| 12 | 00012166 | SKT.-MUTTER | |
| 13 | 01000628 | ||
| 14 | 01008758 | FEDER BREMSE | |
| 15 | 01008611 | HALTER BREMSKABEL | |
| 16 | HG-51401 | ROHR 0.50 X 4" | |


Qualitätsmanagement
Informieren Sie uns, wenn Sie einen Fehler gefunden haben.

