Cub Cadet Z 48 53BA1C6M603 (1998) Auspuff, Bowdenzüge, Elektromagnetkupplung Ersatzteile
Auspuff, Bowdenzüge, Elektromagnetkupplung 53BA1C6M603 (1998)

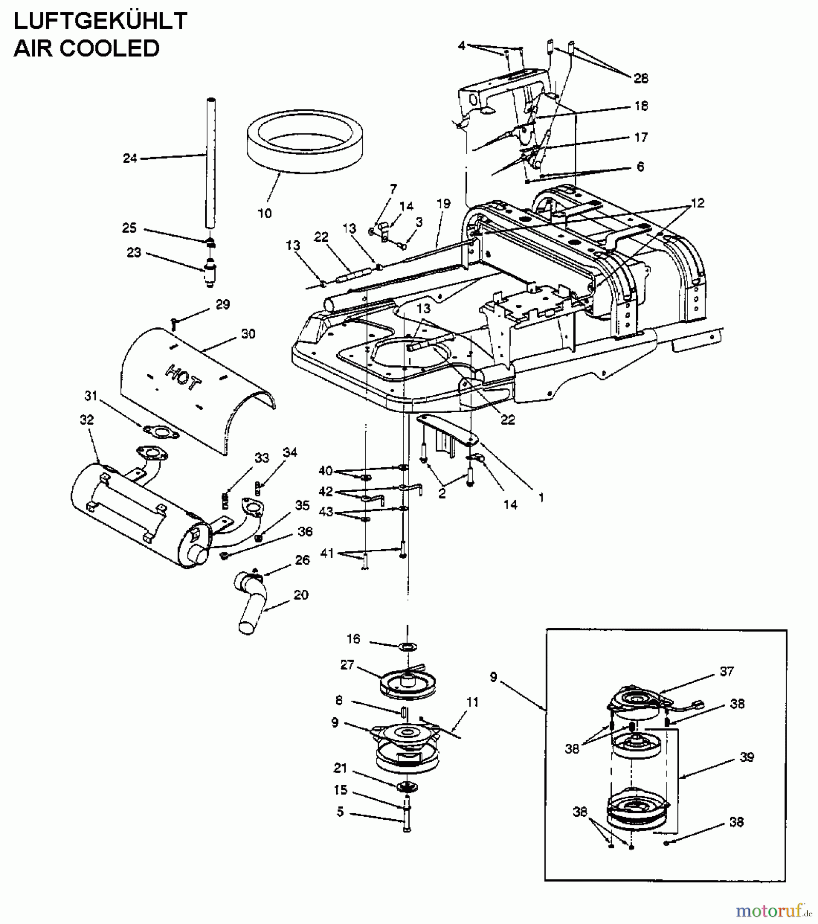
Hier finden Sie die Ersatzteilzeichnung für Cub Cadet Zero Turn Z 48 53BA1C6M603 (1998) Auspuff, Bowdenzüge, Elektromagnetkupplung. Wählen Sie das benötigte Ersatzteil aus der Ersatzteilliste Ihres Cub Cadet Gerätes aus und bestellen Sie einfach online. Viele Cub Cadet Ersatzteile halten wir ständig in unserem Lager für Sie bereit.


Qualitätsmanagement
Informieren Sie uns, wenn Sie einen Fehler gefunden haben.











