Cub Cadet FMZ 50 17CI4BFP603 (2013) Schaltplan Ersatzteile
Schaltplan 17CI4BFP603 (2013)

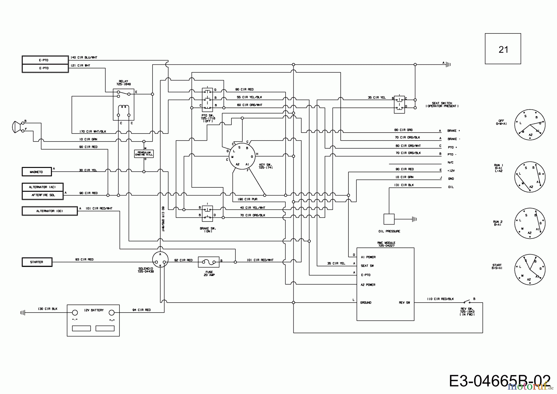
Hier finden Sie die Ersatzteilzeichnung für Cub Cadet Zero Turn FMZ 50 17CI4BFP603 (2013) Schaltplan. Wählen Sie das benötigte Ersatzteil aus der Ersatzteilliste Ihres Cub Cadet Gerätes aus und bestellen Sie einfach online. Viele Cub Cadet Ersatzteile halten wir ständig in unserem Lager für Sie bereit.
| BildNr | Artikel Nummer | Bezeichnung | |
| 21 | 725-05029 | KABELBAUM:CUB:FMZ | |


Qualitätsmanagement
Informieren Sie uns, wenn Sie einen Fehler gefunden haben.

