Cub Cadet FMZ 50 17CI4BFP603 (2013) Fahrantrieb Ersatzteile
Fahrantrieb 17CI4BFP603 (2013)

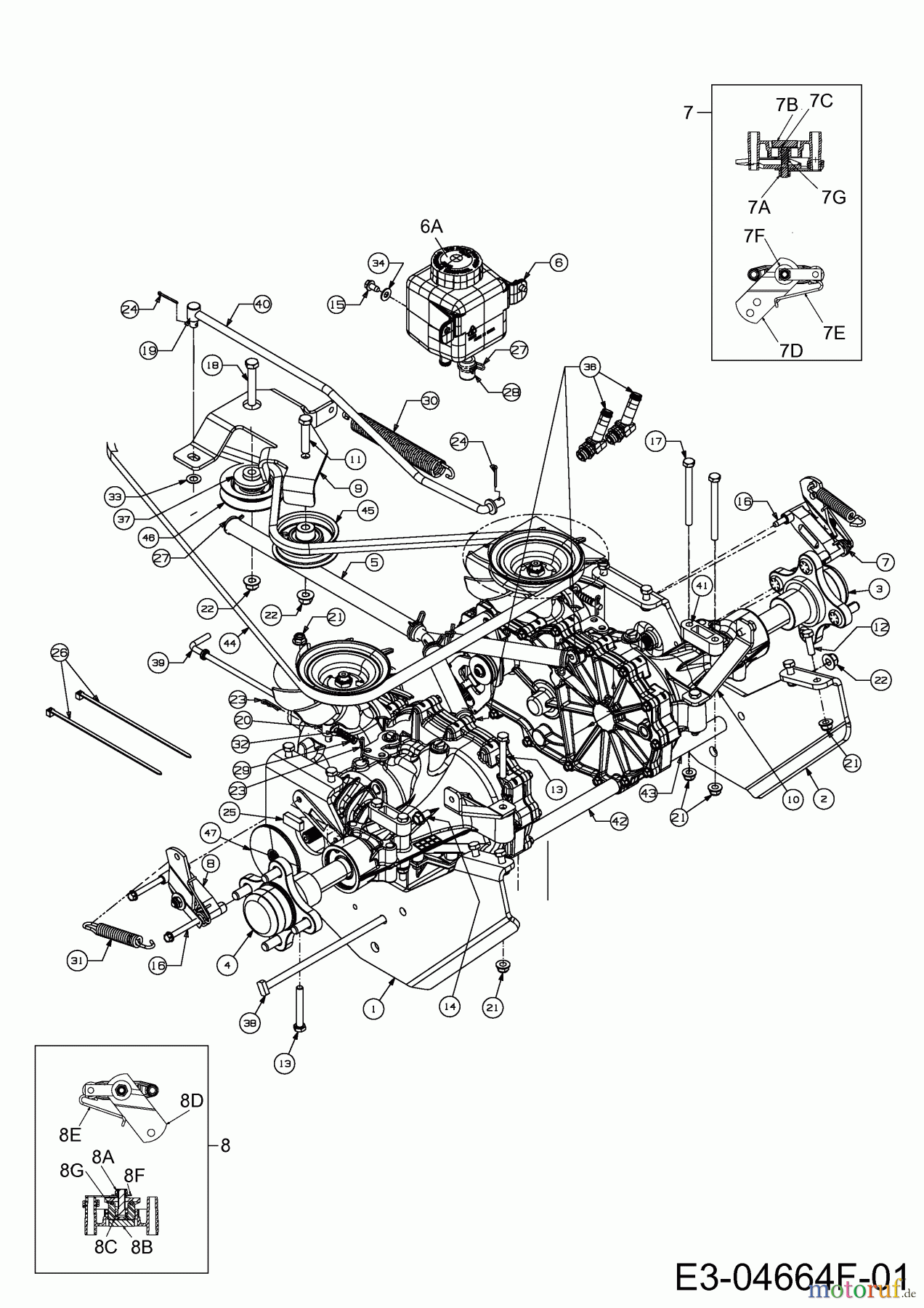
Hier finden Sie die Ersatzteilzeichnung für Cub Cadet Zero Turn FMZ 50 17CI4BFP603 (2013) Fahrantrieb. Wählen Sie das benötigte Ersatzteil aus der Ersatzteilliste Ihres Cub Cadet Gerätes aus und bestellen Sie einfach online. Viele Cub Cadet Ersatzteile halten wir ständig in unserem Lager für Sie bereit.
Häufig benötigte Cub Cadet FMZ 50 17CI4BFP603 (2013) Fahrantrieb Ersatzteile

Artikelnummer: 754-04189
Suche nach: 754-04189
Hersteller: MTD
Cub Cadet Ersatzteil Fahrantrieb
Suche nach: 754-04189
Hersteller: MTD
Cub Cadet Ersatzteil Fahrantrieb
48.15 €
für EU incl. MwSt., zzgl. Versand


Qualitätsmanagement
Informieren Sie uns, wenn Sie einen Fehler gefunden haben.





















