Cub Cadet FMZ 42 17BE4BFR603 (2009) Achsschenkel Ersatzteile
Achsschenkel 17BE4BFR603 (2009)

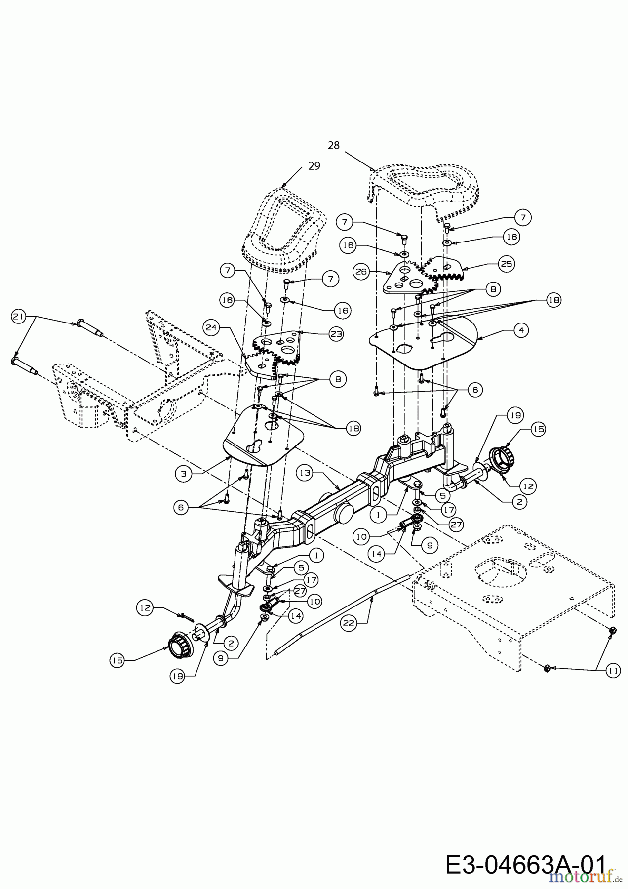
Hier finden Sie die Ersatzteilzeichnung für Cub Cadet Zero Turn FMZ 42 17BE4BFR603 (2009) Achsschenkel. Wählen Sie das benötigte Ersatzteil aus der Ersatzteilliste Ihres Cub Cadet Gerätes aus und bestellen Sie einfach online. Viele Cub Cadet Ersatzteile halten wir ständig in unserem Lager für Sie bereit.


Qualitätsmanagement
Informieren Sie uns, wenn Sie einen Fehler gefunden haben.












